Papirbakke
Læg konvolutterne midt i papirbakken med den korte kant først og printsiden nedad, og tryk kantstyrene ind til konvolutternes kanter.
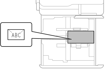
Papirkassette
Læg konvolutter i med printsiden opad, og tryk derefter kantstyrene ind til konvolutternes kanter.
Anvendeligt papir og kapaciteter
Utilgængelige papirtyper
Papiret indføres eller udskubbes forkert