Papierfach
Legen Sie Umschläge in der Mitte des Papierfachs mit der kurzen Kante zuerst und der bedruckbaren Seite nach unten ein und schieben Sie dann die Kantenführungen an die Ränder der Umschläge.

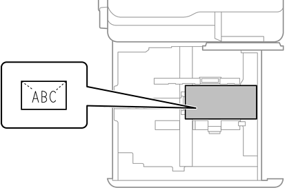
Papierkassette
Legen Sie Umschläge mit der bedruckbaren Seite nach oben ein. Schieben Sie die Papierführungsschienen an die Umschlagkanten heran.
