Baki kertas
Masukkan amplop di tengah baki kertas dari tepi pendeknya terlebih dahulu dalam kondisi sisi yang akan dicetak menghadap ke bawah, lalu geser pemandu ujung kertas sampai ke tepi amplop.

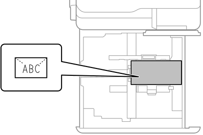
Kaset kertas
Masukkan amplop kondisi sisi yang akan dicetak menghadap ke atas, lalu geser pemandu tepi sampai ke tepi amplop.
