Vassoio carta
Caricare buste al centro del vassoio carta inserendole dal lato corto e con il lato stampabile rivolto verso il basso, quindi allineare le guide laterali ai bordi delle buste.

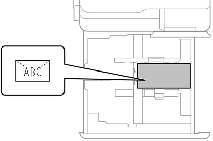
Cassetto carta
Caricare le buste con il lato stampabile rivolto verso l'alto, quindi allineare le guide laterali ai bordi delle buste.
