Papirskuff
Legg inn konvolutter i midten av papirskuffen med kortsiden først og med utskriftssiden vendt ned, og trekk kantførerne til kantene på konvoluttene.

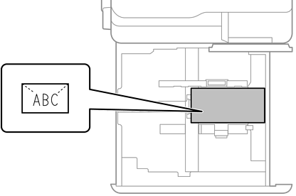
Papirkassett
Legg inn konvolutter med utskriftssiden vendt opp, og trekk deretter kantskinnene til kantene på konvoluttene.
