Pladenj za papir
Najprej naložite kratki rob ovojnic z navzdol obrnjeno stranjo za tiskanje na sredino pladnja za papir ter potisnite vodila robov do robov ovojnic.

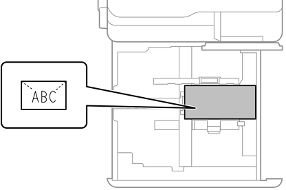
Kaseta za papir
Ovojnice naložite tako, da je stran za tiskanje obrnjena navzgor, in nato potisnite vodila robov do robov ovojnic.
