> قرار دادن کاغذ > بارگذاری کاغذهای مختلف > بارگذاری پاکت نامه‌ها

بارگذاری پاکت نامه‌ها

  • سینی کاغذ

    ابتدا پاکت‌ها را در مرکز لبه کوتاه سینی کاغذ قرار دهید طوری که سطح پرینت آن رو به پایین باشد و گیره نگهدارنده لبه را به لبه‌های پاکتها برسانید.

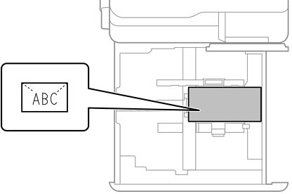
  • کاست کاغذ

    ابتدا لبه پاکت ها را قرار دهید طوری که سطح پرینت آن رو به بالا باشد‏،  و راهنمای لبه را به لبه های پاکت برسانید.