पेपर ट्रे
लिफ़ाफ़ो को पेपर ट्रे के मध्य में छोटे किनारे पहले और प्रिंट करने योग्य साइड को नीचे की ओर रखते हुए लोड करें, और फिर एज गाइड्स को लिफ़ाफों के किनारों तक खिसकाएँ।

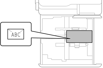
पेपर कैसेट
लिफ़ाफ़ों को प्रिंट करने योग्य साइड को ऊपर की ओर रखते हुए लोड करें, और फिर एज गाइड्स को लिफ़ाफों के किनारों तक खिसकाएँ।
