درج ورق
حمّل أظرفًا في منتصف حامل الورق بإدخال الحافة القصيرة أولاً وبحيث يكون الوجه القابل للطباعة متجهًا لأسفل، ثم اسحب موجهات الحواف إلى حواف الأظرف.
درج الورق
حمِّل أظرفًا بحيث يكون الوجه القابل للطباعة متجهًا لأعلى، ثم اسحب موجهات الحواف إلى حواف الأظرف.
الورق والسعات المتوفرة
أنواع ورق غير متوفرة
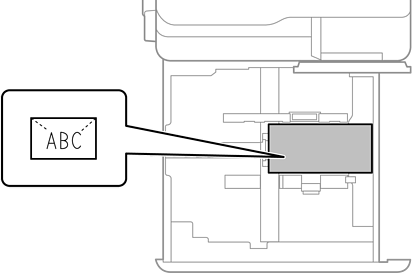
عدم تغذية الورق أو إخراجه على النحو الصحيح