Paper tray
Load envelopes in the center of the paper tray short edge first with the printable side facing down, and then slide the edge guides to the edges of the envelopes.

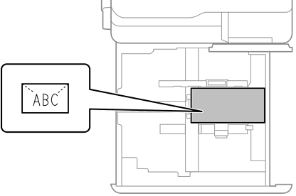
Paper cassette
Load envelopes with the printable side facing up, and then slide the edge guides to the edges of the envelopes.
