מגש נייר
טען מעטפות במרכז מגש הנייר, כאשר הקצה הקצר תחילה וצד ההדפסה פונה כלפי מטה, והחלק את מיישרי הצדדים עד לקצוות המעטפות.
מחסנית נייר
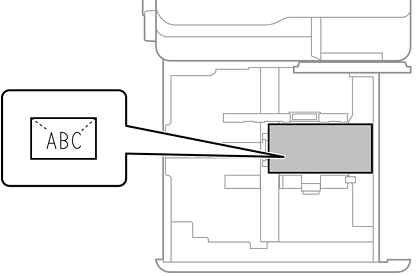
טען מעטפות כאשר צד ההדפסה פונה כלפי מטה, ואז החלק את מדריכי הקצה אל קצוות המעטפות.
גודל הנייר וכמויות הדפים
סוגי נייר אינם זמינים
הנייר אינו מוזן או נפלט כהלכה