|
|
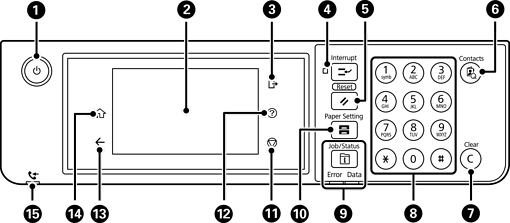
Turns the printer on or off. Unplug the power cord after checking that the power light is off. |
|
|
Displays setting items and messages. When no operations are performed for a specific length of time, the printer enters sleep mode and the display turns off. Tap anywhere on the touch screen to turn on the display. Depending on the current settings, pressing the buttons on the control panel wakes the printer from sleep mode. |
|
|
Logs off from the printer when Access Control is enabled. When Access Control is disabled, this is also disabled. |
|
|
Pauses the current print job and allows you to interrupt other jobs that the printer has already received, interrupt copying operations, and so on. However, you cannot interrupt a new job from the computer. Press this button again to restart a paused job. |
|
|
Resets the current settings to user default settings. If user default settings have not been made, resets to the factory default. |
|
|
Displays the Contacts list. You can register, edit or delete the contacts. |
|
|
Clears number settings such as the number of copies. |
|
|
Enters numbers, characters, and symbols. |
|
|
Displays the Job/Status menu. You can check the printer's status and job history. The error light on the left flashes or turns on when an error occurs. The data light on the right flashes when the printer is processing data. It turns on when there are queued jobs. |
|
|
Displays the Paper Setting screen. You can select the paper size and paper type settings for each paper source. |
|
|
Stops the current operation. |
|
|
Displays the Help screen. You can check solutions to problems from here. |
|
|
Returns to the previous screen. |
|
|
Displays the home screen. |
|
|
Turns on when received documents that have not yet been read, printed, or saved, are stored in the printer's memory. |
You can tilt the control panel.