|
|
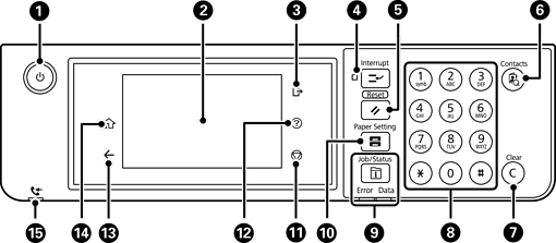
Enciende y apaga la impresora. Desenchufe el cable de alimentación tras comprobar que el indicador de encendido está apagado. |
|
|
Muestra los elementos de configuración y los mensajes. Cuando no se usa la impresora durante un período de tiempo específico, ésta entra en el modo de reposo y la pantalla se apaga. Pulse en cualquier parte de la pantalla táctil para activarla. Dependiendo de la configuración actual, al pulsar los botones del panel de control la impresora sale del modo de suspensión. |
|
|
Cierra la sesión de la impresora cuando está habilitada la opción Control de acceso. Cuando no está habilitada la opción Control de acceso, esta función también está deshabilitada. |
|
|
Pone en pausa el trabajo de impresión en curso y le permite interrumpir otros trabajos que la impresora ha recibido, interrumpe operaciones de copia, etc. Sin embargo, no puede interrumpir un trabajo nuevo desde el ordenador. Vuelva a pulsar este botón para reiniciar un trabajo que esté en pausa. |
|
|
Recupera la configuración predeterminada del usuario de los ajustes actuales. Si la configuración predeterminada del usuario no se ha realizado, recupera los valores predeterminados de fábrica. |
|
|
Muestra la lista de contactos de Contactos. Puede registrar, editar o borrar los contactos. |
|
|
Borra parámetros de número, como el número de copias. |
|
|
Introduce números, caracteres y símbolos. |
|
|
Muestra el menú Job/Status. Se puede comprobar el estado de la impresora y el historial de trabajos. La luz de error de la izquierda parpadea o se enciende si se produce un error. La luz de datos de la derecha parpadea cuando la impresora está procesando datos. Se enciende cuando hay trabajos en cola. |
|
|
Muestra la pantalla Configuración del papel. Puede seleccionar la configuración de tamaño y tipo del papel para cada fuente de papel. |
|
|
Detiene la operación en curso. |
|
|
Muestra la pantalla Ayuda. Aquí puede buscar soluciones a los problemas. |
|
|
Lleva de nuevo a la pantalla anterior. |
|
|
Muestra la pantalla de inicio. |
|
|
Se enciende cuando los documentos recibidos que todavía no se han leído, impreso o guardado, se almacenan en la memoria de la impresora. |
El panel de control se puede inclinar.