> راهنمای پانل کنترل > پانل کنترل

پانل کنترل

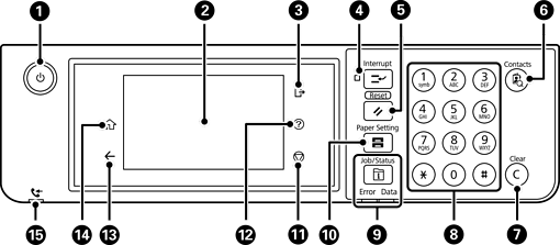
چاپگر را روشن و خاموش می‌کند.

پس از بررسی اینکه چراغ روشن-خاموش در حالت خاموش است‏،  سیم برق را از پریز جدا کنید.

گزینه‎​های تنظیم و پیام‎​ها را نمایش می‎​دهد.

اگر در مدت معینی کاری انجام نگیرد‏،  چاپگر وارد حالت خواب و نمایشگر خاموش می‌شود. برای روشن کردن نمایشگر به صفحه لمسی ضربه بزنید. بسته به تنظیمات فعلی‏،  اگر دکمه‌های روی پانل کنترل را فشار دهید‏،  چاپگر از حالت خواب خارج می‌شود.

وقتی گزینه کنترل دسترسی فعال است از چاپگر خارج شوید.

وقتی کنترل دسترسی غیرفعال است‏،  این گزینه نیز غیرفعال می‌باشد.

کار چاپ فعلی را متوقف می کند تا بتوانید سایر کارهایی را که چاپگر قبلاً دریافت کرده است‏،  کارهای چاپ و سایر موارد را موقتاً متوقف کنید. با این حال‏،  نمی‌توانید یک کار جدید را از طریق رایانه متوقف کنید.

برای راه‌اندازی مجدد یک کار چاپ متوقف شده این دکمه را فشار دهید.

تنظیمات فعلی را به تنظیمات پیش‌فرض کاربر بازنشانی می‌کند. اگر تنظیمات پیش‌فرض کاربر انجام نشوند‏،  به تنظیم پیش‌فرض کارخانه بازنشانی می‌کند.

لیست مخاطبین را نمایش می‌دهد. شما می‌توانید مخاطبین را ثبت‏،  ویرایش یا حذف کنید.

تنظیمات تعداد مانند تعداد کپی‌ها را پاک می‌کند.

اعداد‏،  نویسه‌ها و نمادها را وارد می‌کند.

منوی کار/وضعیت را نمایش می‌دهد. شما می‌توانید وضعیت چاپگر و سابقه کارهای انجام شده را مشاهده کنید.

در هنگام وقوع یک خطا‏،  چراغ خطای موجود در سمت چپ چشمک می‌زند یا روشن می‌شود.

در هنگام پردازش داده‌ها توسط چاپگر چراغ مربوط به داده روشن می‌شود. این چراغ هنگامی که کار چاپی در نوبت باشد روشن می‌شود.

صفحه تنظیم کاغذ را نشان می‌دهد. می‌توانید برای هریک از منابع کاغذ خود‏،  تنظیمات اندازه کاغذ و نوع آن را انتخاب کنید.

عملکرد فعلی را متوقف می‌کند.

صفحه راهنما را نشان می‌دهد.

راهکارهای برطرف‌سازی هر مشکل را می‌توانید در اینجا بررسی کنید.

به صفحه قبلی باز می‌گردد.

صفحه اصلی را نشان می‌دهد.

هنگامی که اسناد دریافتی خوانده نشده یا چاپ یا ذخیره نشده در حافظه رایانه ذخیره می‌شوند‏،  روشن می‌شود.

می‎​توانید پانل کنترل را کج کنید.