> מדריך ללוח הבקרה > לוח בקרה

לוח בקרה

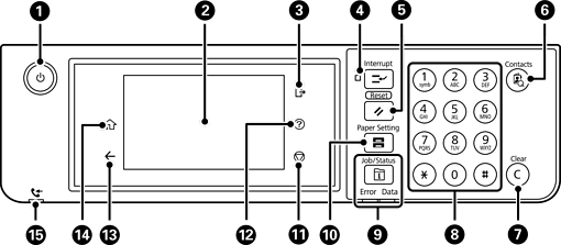
מכבה את המדפסת או מדליק אותה.

נתק את כבל החשמל אחרי שתוודא שנורית ההפעלה כבויה.

הצגת ההודעות ופריטי ההגדרות.

כשלא מבצעים אף פעולה במשך פרק זמן מסוים‏,  המדפסת עוברת למצב שינה והמסך כבה. אפשר להקיש על מסך המגע כדי להדליק אותו. ייתכן שגם לחיצה על הלחצנים בלוח הבקרה תוציא את המדפסת ממצב שינה‏,  בהתאם להגדרות הקיימות.

יוצא מהמחשב בכל פעם שמאפשרים את בקרת גישה.

כאשר משביתים את בקרת גישה גם זה מושבת.

משהה את עבודת ההדפסה הנוכחית ומאפשר להפסיק עבודות נוספות אותן המדפסת כבר קיבלה‏,  להפסיק פעולות צילום וכדומה. עם זאת‏,  לא תוכל להפסיק עבודת הדפסה חדשה מהמחשב באמצע.

לחץ על הלחצן שוב כדי להמשיך עבודה מושהית.

איפוס ההגדרות הנוכחיות לברירת המחדל של המשתמש. אם אין ברירת מחדל של המשתמש האיפוס יבוצע לברירת המחדל של היצרן.

מציג את רשימת אנשי קשר. תוכל לרשום‏, לערוך או למחוק את אנשי הקשר.

ניקוי הגדרות המספרים כגון מספר העותקים.

מזינה מספרים‏,  תווים וסמלים.

מציג את תפריט Job/Status. ניתן לבדוק את סטטוס המדפסת ואת היסטוריית העבודות.

נורית השגיאה משמאל מהבהבת או נדלקת כשיש שגיאה.

נורית הנתונים מימין מהבהבת כשהמדפסת מעבדת נתונים. היא נדלקת כשיש עבודות בתור.

מציג את מסך הגדרת הנייר. תוכל לבחור את הגדרות גודל הנייר וסוג הנייר עבור כל מקור הנייר.

מפסיק את הפעולה הנוכחית.

מציג את מסך עזרה.

מכאן תוכל לבדוק פתרונות לבעיות.

חוזר אל המסך הקודם.

מציג את מסך הבית.

נדלק כשהמסמכים שהתקבלו עדיין לא נקראו‏,  הודפסו או נשמרו ומאוחסנים בזיכרון של המדפסת.

תוכל להטות את לוח הבקרה.