|
|
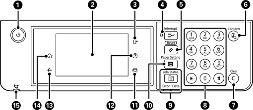
電源を入/切します。 電源コードを抜くときは、電源ランプが消灯していることを確認してから抜いてください。 |
|
|
操作項目やメッセージを表示します。 一定の時間以上操作しないとスリープモードになり、表示が消えます。タッチパネルをタップすると復帰します。設定によっては、操作パネルのボタンを押すことにより、スリープモードから元の明るさに復帰します。 |
|
|
[利用者制限]が有効なときは、プリンターからログオフします。 [利用者制限]が無効のときは表示されません。 |
|
|
実行中の印刷ジョブを中断して、プリンターが受信済みの印刷ジョブやコピーなどを割り込んで実行できます。ただし、コンピューターから新しい印刷データを割り込ませることはできません。 割り込み動作終了後に押すと、中断した動作を再開します。 |
|
|
操作中の設定をユーザーデフォルト設定に戻します。ユーザーデフォルト設定がされてないときは、購入時の設定に戻します。 |
|
|
[アドレス帳]画面を表示します。アドレスを登録、編集、および削除できます。 |
|
|
コピー部数などの数値設定をクリアします。 |
|
|
数字や文字、記号を入力します。 |
|
|
[ジョブ/状態]画面を表示します。プリンターの状態やジョブ履歴が確認できます。 エラーランプ(左)はエラー発生時に点滅または点灯します。 データランプ(右)はデータ処理中に点滅します。待機中のジョブがあると点灯します。 |
|
|
[用紙設定]画面を表示します。給紙装置ごとに用紙のサイズと用紙の種類が設定できます。 |
|
|
現在実行中の動作を中止します。 |
|
|
[ヘルプ]画面を表示します。 困ったときの対処方法やプリンターの基本操作手順が確認できます。 |
|
|
前の画面に戻ります。 |
|
|
ホーム画面を表示します。 |
|
|
未処理(未読や印刷してない、未保存など)の受信文書があるときに点灯します。 |
操作パネルは角度を変えることができます。