|
|
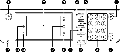
Aktiverar och inaktiverar skrivaren. Dra ur strömkabeln efter att du kontrollerat att strömindikatorn är avstängd. |
|
|
Visar inställningsobjekt och meddelanden. Om inga åtgärder utförs inom en viss tid, går skrivaren över i viloläge och skärmen släcks. Tryck någonstans på pekskärmen för att aktivera displayen. Att trycka på knapparna på kontrollpanelen väcker skrivaren från viloläge, beroende på aktuella inställningar. |
|
|
Loggar ut från skrivaren när Åtkomstkontroll är aktiverad. När Åtkomstkontroll är inaktiverad är även den här funktionen inaktiverad. |
|
|
Pausar det aktuella utskriftsjobbet och låter dig avbryta andra jobb som skrivaren redan har mottagit, avbryta kopieringsåtgärder och så vidare. Du kan inte avbryta ett nytt utskriftsjobb från datorn. Tryck på den här knappen igen om du vill starta om ett pausat jobb. |
|
|
Återställer aktuella inställningar till användarens standardinställningar. Om inga standardinställningar för användaren gjorts, återställs till fabriksinställningarna. |
|
|
Visar Kontakter-listan. Du kan registrera, redigera eller radera kontakterna. |
|
|
Rensar inställningar som till exempel antal kopior. |
|
|
Ange nummer, tecken och symboler. |
|
|
Visar menyn Job/Status. Du kan kontrollera skrivarens status och jobbhistorik. Fellampan till vänster blinkar eller aktiveras när ett fel uppstår. Datalampan till höger blinkar när skrivaren bearbetar data. Den aktiveras när det finns jobb i kön. |
|
|
Visar skärmen Pappersinställning. Du kan välja pappersstorlek och inställningar för papperstyp för varje papperskälla. |
|
|
Stoppar den aktuella åtgärden. |
|
|
Visar skärmen Hjälp. Du kan visa problemlösningar här. |
|
|
Återgår till föregående skärm. |
|
|
Visar startskärmen. |
|
|
Aktiveras när mottagna dokument som inte är lästa, utskrivna eller sparade finns i skrivarens minne. |
Du kan luta kontrollpanelen.