|
|
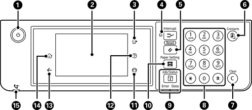
Yazıcıyı açar veya kapatır. Güç ışığının söndüğünü kontrol ettikten sonra güç kablosunu çıkarın. |
|
|
Ayar öğelerini ve mesajları görüntüler. Belirli bir süre hiç işlem gerçekleştirilmediğinde, yazıcı uyku moduna girer ve ekran kapanır. Görüntüyü açmak için dokunmatik ekrandaki bir yere dokunun. Geçerli ayarlara bağlı olarak, kontrol panelindeki düğmelere bastığınızda yazıcı uyku modundan çıkar. |
|
|
Erişim Denetimi etkinleştirildiğinde yazıcı oturumunu kapatır. Erişim Denetimi devre dışı bırakıldığında, bu da devre dışı bırakılır. |
|
|
Geçerli yazdırma işini duraklatır ve yazıcının önceden aldığı diğer işleri kesmenize, kopyalama işlemlerini kesmenize vb. olanak tanır. Ancak, yeni bir işi bilgisayardan yarıda kesemezsiniz. Duraklatılan işi yeniden başlatmak için bu düğmeye tekrar basın. |
|
|
Geçerli ayarları kullanıcı varsayılan ayarlarına sıfırlar. Kullanıcı varsayılan ayarları yapılmamışsa fabrika varsayılanına sıfırlar. |
|
|
İrtibatlar listesini görüntüler. Kişileri kaydedebilir, düzenleyebilir veya silebilirsiniz. |
|
|
Kopya sayısı gibi sayı ayarlarını siler. |
|
|
Sayılar, karakterler ve semboller girer. |
|
|
Job/Status menüsünü görüntüler. Yazıcı durumunu ve iş geçmişini kontrol edebilirsiniz. Bir hata oluştuğunda soldaki hata ışığı yanıp söner veya yanar. Yazıcı veri işlerken sağdaki veri ışığı yanıp söner. Kuyruğa alınmış işler bulunduğunda yanar. |
|
|
Kâğıt Ayarı ekranını görüntüler. Her bir kağıt kaynağı için kağıt boyutu ve kağıt türü ayarlarını seçebilirsiniz. |
|
|
Mevcut işlemi durdurur. |
|
|
Yardım ekranını görüntüler. Buradan sorunlara çözümleri kontrol edebilirsiniz. |
|
|
Önceki ekrana döner. |
|
|
Ana ekranı görüntüler. |
|
|
Okunmamış, yazdırılmamış veya kaydedilmemiş alınan belgeler yazıcının belleğinde depolandığında yanar. |
Kontrol panelini eğebilirsiniz.