> Guia del tauler de control > Tauler de control

Tauler de control

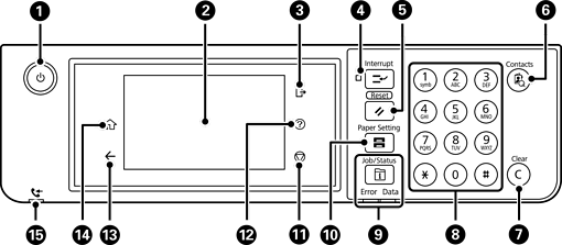
Encén o apaga la impressora.

Desconnecteu el cable d'alimentació després de comprovar que l'indicador d'encesa estigui apagat.

Mostra elements de configuració i missatges.

Si no es realitza cap operació durant un període de temps determinat, la impressora passa al mode de suspensió i la pantalla s'apaga. Toqueu qualsevol punt de la pantalla tàctil per encendre-la. En funció de la configuració actual, la impressora surt del mode de repòs en prémer els botons del tauler de control.

Tanca la sessió de la impressora quan s'activa Control d'accés.

Si Control d'accés està desactivat, aquesta opció també ho està.

Pausa el treball d'impressió actual i permet interrompre altres treballs que ja ha rebut la impressora, interrompre operacions de còpia, etc. Tanmateix, no podeu interrompre una tasca nova des de l'ordinador.

Premeu aquest botó altre cop per reprendre el treball interromput.

Restableix la configuració actual als valors predeterminats d'usuari. Si no s'han determinat valors predeterminats d'usuari, restableix als valors predeterminats de fàbrica.

Mostra la llista Contactes. Podeu registrar, editar o eliminar els contactes.

Esborra opcions numèriques com el nombre de còpies.

Introduïu números, caràcters i símbols.

Mostra el menú Job/Status. Podeu consultar l'estat i l'historial de treballs de la impressora.

L'indicador d'error de l'esquerra parpelleja o s'encén quan es produeix un error.

L'indicador de dades de la dreta parpelleja quan la impressora processa dades. S'encén quan hi ha treballs en cua.

Mostra la pantalla Configuració del paper. Podeu seleccionar la mida de paper i opcions de tipus de paper per a cada font de paper.

Atura l'operació actual.

Mostra la pantalla Ajuda.

Podeu comprovar les solucions als problemes des d'aquí.

Torna a la pantalla anterior.

Mostra la pantalla d'inici.

S'encén quan els documents rebuts que encara no s'han llegit, imprès o desat s'emmagatzemen a la memòria de la impressora.

Podeu inclinar el tauler de control.