|
|
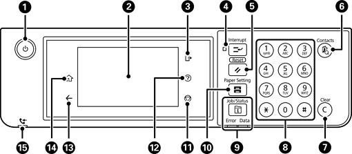
Zapíná a vypíná tiskárnu. Po kontrole zhasnutí kontrolky napájení odpojte napájecí kabel. |
|
|
Zobrazí se na ní položky nastavení a zprávy. Pokud tiskárnu po určitou dobu nepoužíváte, bude uvedena do režimu spánku a obrazovka se vypne. Chcete-li zapnout obrazovku, klepněte kdekoli na dotykové obrazovce. V závislosti na aktuálních nastaveních se stisknutím tlačítek na ovládacím panelu tiskárna probudí z režimu spánku. |
|
|
Odhlásí se z tiskárny, pokud je zapnutá funkce Řízení přístupu. Je-li funkce Řízení přístupu vypnutá, je tato funkce také vypnutá. |
|
|
Pozastaví aktuální tiskovou úlohu a umožní přerušit další úlohy, které tiskárna již obdržela, přerušit kopírování a tak dále. Novou úlohu však nemůžete zrušit v počítači. Dalším stiskem tohoto tlačítka se restartuje pozastavená úloha. |
|
|
Zruší aktuální nastavení a obnoví výchozí nastavení uživatele. Pokud nebylo výchozí nastavení uživatele provedeno, obnoví výchozí tovární nastavení. |
|
|
Zobrazí seznam Kontakty. Můžete zapisovat, upravovat nebo odstraňovat kontakty. |
|
|
Slouží ke smazání číselného nastavení, například počtu kopií. |
|
|
Zadávají se číslice, znaky a symboly. |
|
|
Zobrazí nabídku Job/Status. Můžete se podívat na stav tiskárny a historii úloh. Chybový indikátor vlevo bliká nebo se rozsvítí, když dojde k chybě. Datový indikátor vpravo bliká, když tiskárna zpracovává data. Jsou-li ve frontě úlohy, rozsvítí se. |
|
|
Zobrazí obrazovku Nastaveni papíru. Můžete vybrat velikost papíru a typ papíru pro každý zdroj papíru. |
|
|
Zastaví aktuální operaci. |
|
|
Zobrazí obrazovku Nápověda. Odtud můžete ověřit řešení problémů. |
|
|
Provede návrat na předchozí obrazovku. |
|
|
Zobrazí domovskou obrazovku. |
|
|
Svítí, když se do paměti tiskárny uloží přijaté dokumenty, které dosud nebyly přečteny, vytištěny nebo uloženy. |
Ovládací panel můžete naklonit.