|
|
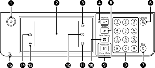
Dient zum Ein- bzw. Ausschalten des Druckers. Ziehen Sie den Netzstecker, sobald die Betriebsanzeige aus ist. |
|
|
Zeigt Einstellungspunkte und Meldungen an. Wenn für längere Zeit keine Vorgänge durchgeführt werden, wechselt der Drucker in den Ruhezustand und das Display wird abgeschaltet. Tippen Sie auf das Bedienfeld, um das Display wieder einzuschalten. Je nach aktuellen Einstellungen wird durch Betätigung der Tasten am Bedienfeld der Drucker aus dem Ruhezustand aufgeweckt. |
|
|
Meldet sich vom Drucker ab, wenn Zugangssteuerung aktiviert ist. Wenn Zugangssteuerung deaktiviert ist, wird dieser Punkt ebenfalls deaktiviert. |
|
|
Unterbricht den aktuellen Druckauftrag und ermöglicht Ihnen die Unterbrechung anderer Aufträge, die der Drucker bereits empfangen hat, das Unterbrechen von Kopiervorgängen usw. Sie können einen neuen Auftrag über den Computer nicht unterbrechen. Drücken Sie diese Taste, um einen angehaltenen Auftrag fortzusetzen. |
|
|
Setzt die aktuellen Einstellungen auf die Standardeinstellungen zurück. Falls keine Standardeinstellungen vorgenommen wurden, wird hiermit eine Werksrücksetzung durchgeführt. |
|
|
Zeigt die Kontakte-Liste an. Die Kontakte lassen sich registrieren, bearbeiten oder löschen. |
|
|
Löscht zahlenbezogene Einstellungen wie beispielsweise die Anzahl der Kopien. |
|
|
Gibt Zahlen, Zeichen und Symbole ein. |
|
|
Zeigt das Menü Job/Status an. Hier können Sie den Status und Auftragsverlauf des Druckers überprüfen. Wenn ein Fehler auftritt, blinkt oder leuchtet die Fehlerleuchte auf der linken Seite. Die Datenleuchte auf der rechten Seite blinkt, wenn der Drucker Daten verarbeitet. Sie wird eingeschaltet, wenn sich Druckaufträge in der Warteschlange befinden. |
|
|
Zeigt den Bildschirm Papiereinstellung an. Sie können Einstellungen für das Papierformat und die Papiersorte für jede Papierquelle auswählen. |
|
|
Stoppt den aktuellen Vorgang. |
|
|
Zeigt den Bildschirm Hilfe an. Sie können hier Lösungen für Probleme überprüfen. |
|
|
Kehrt zum vorherigen Bildschirm zurück. |
|
|
Zeigt die Startseite an. |
|
|
Wird eingeschaltet, wenn empfangene Dokumente, die noch nicht gelesen, gedruckt oder gespeichert wurden, im Druckerspeicher abgelegt werden. |
Das Bedienfeld lässt sich neigen.