|
|
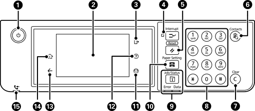
Ενεργοποιεί ή απενεργοποιεί τον εκτυπωτή. Βγάλτε το καλώδιο τροφοδοσίας από την πρίζα, αφού βεβαιωθείτε ότι έχει σβήσει η λυχνία λειτουργίας. |
|
|
Εμφανίζει στοιχεία ρύθμισης και μηνύματα. Όταν δεν εκτελούνται λειτουργίες για μια συγκεκριμένη χρονική περίοδο, ο εκτυπωτής εισέρχεται σε κατάσταση αναστολής λειτουργίας και η οθόνη σβήνει. Πατήστε οπουδήποτε στην οθόνη αφής για να ενεργοποιήσετε την προβολή. Ανάλογα με τις τρέχουσες ρυθμίσεις, το πάτημα των κουμπιών στον πίνακα ελέγχου επαναφέρει τον εκτυπωτή από την κατάσταση αναμονής. |
|
|
Γίνεται αποσύνδεση από τον εκτυπωτή, όταν το Έλεγχος πρόσβασης είναι ενεργοποιημένο. Όταν το Έλεγχος πρόσβασης είναι απενεργοποιημένο, απενεργοποιείται κι αυτό. |
|
|
Διακόπτει την τρέχουσα εργασία εκτύπωσης και σας επιτρέπει να διακόψετε άλλες εργασίες που έχει ήδη λάβει ο εκτυπωτής, να διακόψετε εργασίες αντιγραφής και ούτω καθεξής. Ωστόσο, δεν μπορείτε να διακόψετε μια νέα εργασία από τον υπολογιστή. Πατήστε ξανά αυτό το κουμπί για να επανεκκινήσετε μια εργασία σε παύση. |
|
|
Επαναφέρει όλες τις τρέχουσες ρυθμίσεις σε ρυθμίσεις προεπιλεγμένες από τον χρήστη. Εάν δεν έχουν γίνει προεπιλεγμένες ρυθμίσεις από τον χρήστη, επαναφέρετε τις εργοστασιακές ρυθμίσεις. |
|
|
Εμφανίζει τη λίστα Επαφές. Μπορείτε να καταχωρίσετε, να επεξεργαστείτε ή να διαγράψετε επαφές. |
|
|
Καταργεί ρυθμίσεις αριθμών, όπως τον αριθμό αντιγράφων. |
|
|
Εισάγει αριθμούς, χαρακτήρες και σύμβολα. |
|
|
Εμφανίζει το μενού Job/Status. Μπορείτε να ελέγξετε την κατάσταση του εκτυπωτή και το ιστορικό των εργασιών. Η λυχνία σφάλματος στα αριστερά αναβοσβήνει ή ανάβει όταν παρουσιάζεται σφάλμα. Η λυχνία δεδομένων στα δεξιά αναβοσβήνει όταν ο εκτυπωτής επεξεργάζεται δεδομένα. Ανάβει όταν υπάρχουν εργασίες σε ουρά. |
|
|
Εμφανίζει την οθόνη Ρύθμιση χαρτιού. Επιλέξτε το μέγεθος και τον τύπο χαρτιού για κάθε προέλευση χαρτιού. |
|
|
Διακόπτει την τρέχουσα λειτουργία. |
|
|
Εμφανίζει την οθόνη Βοήθεια. Εδώ μπορείτε να βρείτε λύσεις σε προβλήματα. |
|
|
Επιστρέφει στην προηγούμενη οθόνη. |
|
|
Εμφανίζει την αρχική οθόνη. |
|
|
Ανάβει όταν τα ληφθέντα έγγραφα, που δεν έχουν αναγνωσθεί, εκτυπωθεί ή αποθηκευτεί ακόμα, αποθηκεύονται στη μνήμη του εκτυπωτή. |
Μπορείτε να δώσετε κλίση στον πίνακα ελέγχου.