> Guide du panneau de commande > Panneau de commande

Panneau de commande

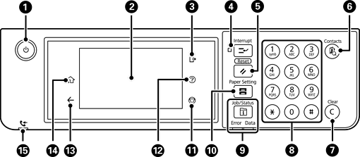
Permet d’allumer ou d’éteindre l’imprimante.

Débranchez le cordon d’alimentation après avoir vérifié que le voyant d’alimentation était éteint.

Affiche les éléments de paramétrage et les messages.

Lorsqu’aucune opération n’est effectuée pendant un certain délai, l’imprimante passe en mode veille et l’écran s’éteint. Pour activer l’écran, appuyez n’importe où sur l’écran tactile. Selon les paramètres actuels, l’appui sur les boutons du panneau de commande sort l’imprimante du mode veille.

Déconnecte de l’imprimante lorsque Contrôle d'accès est activé.

Lorsque Contrôle d'accès est désactivé, ceci est également désactivé.

Met le travail d’impression en cours en pause et permet d’interrompre d’autres travaux que l’imprimante a déjà reçus, d’interrompre des opérations de copie, etc. Cependant, vous ne pouvez pas interrompre une nouvelle tâche depuis l’ordinateur.

Appuyez à nouveau sur ce bouton pour redémarrer une tâche interrompue.

Réinitialise les paramètres actuels aux valeurs par défaut de l’utilisateur. Si aucun paramètre par défaut n’a été défini par l’utilisateur, les valeurs d’usine par défaut sont rétablies.

Affiche la liste Contacts. Vous pouvez enregistrer, modifier ou supprimer les contacts.

Efface les paramètres de nombre comme le nombre de copies.

Saisissez des chiffres, des caractères et des symboles.

Affiche le menu Job/Status. Vous pouvez vérifier l’état de l’imprimante et l’historique des tâches.

Le voyant d’erreur à gauche clignote ou s’allume en cas d’erreur.

Le voyant de données à droite clignote lorsque l’imprimante traite des données. Il s’allume lorsque des tâches sont en attente.

Affiche l’écran Réglage papier. Vous pouvez sélectionner les paramètres de taille et de type du papier pour chaque source de papier.

Permet d’arrêter l’opération en cours.

Affiche l’écran Aide.

Vous pouvez consulter les solutions aux problèmes d’ici.

Permet de retourner à l’écran précédent.

Affiche l’écran d’accueil.

S’allume lorsque les documents reçus qui n’ont pas encore été lus, imprimés ou enregistrés sont stockés dans la mémoire de l’imprimante.

Vous pouvez modifier l’inclinaison du panneau de commande.