> Vodič za upravljačku ploču > Upravljačka ploča

Upravljačka ploča

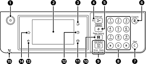
Uključivanje ili isključivanje pisača.

Iskopčajte kabel za napajanje kada lampica napajanja prestane svijetliti.

Prikazuje stavke postavki i poruke.

Kad se kroz određeno vremensko razdoblje ne obavljaju radnje, pisač ulazi u stanje mirovanja i zaslon se gasi. Dodirnite bilo gdje na zaslonu kako biste ga uključili. Ovisno o trenutnim postavkama, pritiskom gumba na upravljačkoj ploči aktivirat će se pisač iz stanja mirovanja.

Odjavite se s pisača kada se omogući Kontrola pristupa.

Kada je onemogućen Kontrola pristupa, i to će biti onemogućeno.

Zaustavlja trenutačni zadatak ispisa i omogućuje prekid drugih zadataka koje je pisač već primio, prekid postupaka kopiranja i slično. Međutim, ne možete prekinuti novi zadatak putem računala.

Ponovno pritisnite gumb kako biste nastavili s ispisivanjem zaustavljenog zadataka.

Služi za vraćanje trenutnih postavki na zadane vrijednosti. Ako nisu postavljene korisničke zadane postavke, vraća ih na tvorničke vrijednosti.

Prikazuje popis Imenik. Možete registrirati, uređivati i brisati kontakte.

Brisanje unesenog broja, na primjer broja kopija.

Unosi brojke, znakove i simbole.

Prikazuje izbornik Job/Status. Možete provjeriti stanje pisača i pregledati povijest zadataka.

Lijeva signalna lampica svijetli ili treperi kada dođe do pogreške.

Desna signalna lampica treperi kada pisač obrađuje podatke. Ona svijetli kada postoje zadatci na čekanju.

Prikazuje zaslon Postavka papira. Možete odabrati veličinu papira i podesiti postavke vrste papira za pojedini izvor papira.

Zaustavljanje trenutačne radnje.

Prikazuje zaslon Pomoć.

Odavde možete provjeriti rješenja problema.

Povratak na prethodni zaslon.

Prikaz početnog zaslona.

Uključuje se ako primljeni dokumenti još nisu pročitani, ispisani, spremljeni ili pohranjeni u memoriju pisača.

Upravljačku ploču možete nagnuti.