|
|
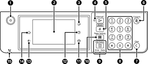
Menyalakan dan mematikan printer. Lepaskan kabel daya setelah memastikan bahwa lampu daya dalam keadaan mati. |
|
|
Menampilkan item dan pesan pengaturan. Jika tidak dioperasikan selama jangka waktu tertentu, printer akan masuk ke mode tidur dan layar akan mati. Sentuh sembarang titik di layar sentuh untuk mengaktifkan layar. Bergantung pada pengaturan saat ini, menekan tombol pada panel kontrol akan mengaktifkan printer dari mode tidur. |
|
|
Melakukan log off dari printer jika Kontrol Akses diaktifkan. Jika Kontrol Akses dinonaktifkan, maka ini juga dinonaktifkan. |
|
|
Menghentikan pekerjaan cetak saat ini dan memungkinkan Anda menyela pekerjaan lain yang telah diterima printer, menyela operasi penyalinan, dan sebagainya. Namun demikian, Anda tidak dapat menyela pekerjaan baru dari komputer. Tekan kembali tombol ini untuk melanjutkan pekerjaan yang dijeda. |
|
|
Mengatur ulang pengaturan saat ini ke pengaturan default pengguna. Jika pengaturan default pengguna belum dibuat, atur ulang ke default pabrik. |
|
|
Menampilkan daftar Kontak. Anda dapat mendaftarkan, mengedit, atau menghapus kontak. |
|
|
Menghapus pengaturan angka seperti jumlah salinan. |
|
|
Masukkan angka, karakter, dan simbol. |
|
|
Menampilkan menu Job/Status. Anda dapat memeriksa status printer dan riwayat pekerjaan. Lampu kesalahan di sebelah kiri akan berkedip atau menyala bila terjadi kesalahan. Lampu data di sebelah kanan akan berkedip bila printer memproses data. Lampu akan menyala bila terdapat antrean pekerjaan. |
|
|
Menampilkan layar Pengaturan Kertas. Anda dapat memilih pengaturan ukuran dan jenis kertas untuk setiap sumber kertas. |
|
|
Menghentikan operasi yang sedang berlangsung. |
|
|
Menampilkan layar Bantuan. Anda dapat mengetahui solusi masalah dari sini. |
|
|
Kembali ke layar sebelumnya. |
|
|
Menampilkan layar beranda. |
|
|
Menyala bila dokumen diterima yang belum dibaca, dicetak, atau disimpan dimasukkan ke dalam memori printer untuk disimpan. |
Anda dapat memiringkan panel kontrol.