> Guida al pannello di controllo > Pannello di controllo

Pannello di controllo

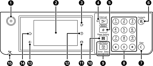
Consente di accendere o spegnere la stampante.

Dopo aver verificato che la spia di alimentazione sia spenta, scollegare il cavo di alimentazione.

Visualizza le voci di impostazione e i messaggi.

In caso di inattività per un determinato periodo di tempo, la stampante entra in modalità di riposo e il display si spegne. Toccare un punto qualsiasi del touchscreen per accendere il display. A seconda delle impostazioni correnti, premendo i pulsanti sul pannello di controllo si riattiva la stampante dalla modalità di riposo.

Consente di scollegarsi dalla stampante quando Controllo accesso è abilitato.

Quando Controllo accesso è disabilitato, anche questa opzione è disabilitata.

Interrompe il lavoro di stampa attuale e consente di interrompere altri lavori che la stampante ha già ricevuto, interrompere le operazioni di copia e così via. Tuttavia, non è possibile interrompere un nuovo lavoro dal computer.

Per riprendere un lavoro interrotto, premere nuovamente il pulsante.

Ripristina le impostazioni correnti alle impostazioni utente predefinite. Se le impostazioni utente predefinite non sono state eseguite, ripristina alle opzioni predefinite di fabbrica.

Visualizza l’elenco Contatti. È possibile registrare, modificare o eliminare i contatti.

Consente di azzerare le impostazioni numeriche, ad esempio il numero di copie.

Inserisce numeri, caratteri e simboli.

Visualizza il menu Job/Status. È possibile verificare lo stato della stampante e la cronologia lavori.

Quando si verifica un errore, la spia a sinistra inizia a lampeggiare o si accende.

La spia dei dati a destra inizia a lampeggiare quando è in corso l’elaborazione dati. In presenza di lavori in coda, la spia si accende.

Visualizza la schermata Impostazione carta. È possibile configurare le impostazioni di formato e tipo di carta per ogni origine carta.

Consente di interrompere l’operazione corrente.

Visualizza la schermata Guida.

Dove è possibile consultare le soluzioni ai problemi.

Consente di tornare alla schermata precedente.

Consente di visualizzare la schermata iniziale.

Si accende quando nella memoria della stampante sono memorizzati documenti ricevuti non ancora letti, stampati o salvati.

Il pannello di controllo è inclinabile.