|
|
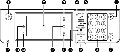
Menghidupkan atau mematikan pencetak. Cabut kord kuasa selepas lampu kuasa dimatikan. |
|
|
Memaparkan item tetapan dan mesej. Apabila tiada operasi dilakukan untuk satu tempoh masa tertentu, pencetak akan memasuki mod tidur dan paparan dimatikan. Ketik di mana-mana sahaja pada skrin sentuh untuk menghidupkan paparan. Bergantung pada tetapan semasa, menekan butang pada panel kawalan membangkitkan pencetak daripada mod tidur. |
|
|
Mengelog keluar daripada pencetak apabila Kawalan Akses didayakan. Apabila Kawalan Akses dinyahdayakan, ini turut akan dinyahdayakan. |
|
|
Menghentikan sebentar tugas cetakan semasa dan membenarkan anda mengganggu tugas lain yang sudah diterima oleh pencetak, mengganggu operasi penyalinan, dan sebagainya. Bagaimanapun, anda tidak boleh mengganggu tugas baharu daripada komputer. Tekan butang ini sekali lagi untuk memulakan semula tugas yang dijedakan. |
|
|
Menetapkan semula tetapan semasa kepada tetapan lalai pengguna. Jika tetapan lalai pengguna belum dibuat, menetapkan semula kepada lalai kilang. |
|
|
Memaparkan senarai Kenalan. Anda boleh mendaftar, mengedit dan memadam kenalan. |
|
|
Memadam tetapan nombor seperti bilangan salinan. |
|
|
Memasukkan nombor, aksara dan simbol. |
|
|
Memaparkan menu Tugas/Status. Anda boleh menyemak status pencetak dan sejarah tugas. Lampu ralat di sebelah kiri memancar atau dihidupkan apabila ralat berlaku. Lampu data di sebelah kanan memancar apabila pencetak memproses data. Lampu dihidupkan apabila terdapat tugas yang menunggu giliran. |
|
|
Memaparkan skrin Tetapan Kertas. Anda boleh memilih saiz kertas dan tetapan jenis kertas untuk setiap sumber kertas. |
|
|
Hentikan operasi semasa. |
|
|
Memaparkan skrin Bantuan. Anda boleh menyemak penyelesaian masalah dari sini. |
|
|
Kembali ke skrin sebelumnya. |
|
|
Memaparkan skrin utama. |
|
|
Dihidupkan apabila menerima dokumen yang masih belum dibaca, dicetak, atau disimpan, disimpan dalam memori pencetak. |
Anda boleh mencondongkan panel kawalan.