> Uitleg bij het bedieningspaneel > Bedieningspaneel

Bedieningspaneel

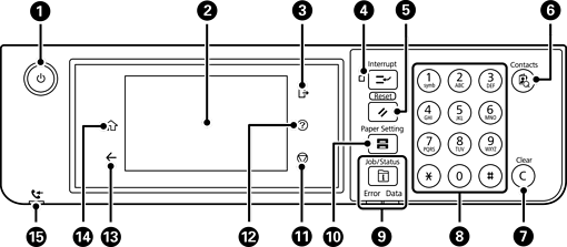
Hiermee schakelt u de printer in of uit.

Haal het netsnoer uit het stopcontact nadat u hebt gecontroleerd of het aan/uit-lampje uit staat.

Hierop worden de instellingsitems en berichten weergegeven.

Wanneer er gedurende een bepaalde periode geen bewerkingen worden uitgevoerd, gaat de printer in slaapstand en wordt het scherm uitgeschakeld. Tik op het touchscreen om het scherm in te schakelen. Afhankelijk van de huidige instellingen wordt de printer uit de slaapstand gehaald door te drukken op de knoppen op het bedieningspaneel.

Hiermee meldt u zich af bij de printer wanneer Toegangsbeheer is ingeschakeld.

Wanneer Toegangsbeheer is uitgeschakeld, is deze functie ook uitgeschakeld.

Pauzeert de huidige afdrukopdracht en biedt u de mogelijkheid andere taken die de printer al heeft ontvangen, te onderbreken, kopieerbewerkingen te onderbreken enz. U kunt een nieuwe taak echter niet op de computer onderbreken.

Druk nogmaals op deze toets om een onderbroken taak te hervatten.

Reset de huidige instellingen naar de standaard gebruikersinstellingen. Als standaard gebruikersinstellingen niet zijn gemaakt, wordt gereset naar standaard fabriekswaarden.

Hiermee wordt de lijst Contacten weergegeven. U kunt contactpersonen opslaan, bewerken en verwijderen.

Hiermee wist u aantal instellingen, zoals het aantal exemplaren.

Hiermee voert u getallen, tekens en symbolen in.

Hiermee wordt het menu Job/Status weergegeven. U kunt de status en taakgeschiedenis van de printer weergeven.

Als er een storing optreedt, knipper het storingslampje links of gaat het branden.

Als de printer gegevens aan het verwerken is, knippert het gegevenslampje rechts. Het gaat branden als er taken in de afdrukwachtrij staan.

Hiermee wordt het scherm Papierinstelling weergegeven. U kunt voor elke papierbron de instellingen voor papierformaat en papiersoort selecteren.

Hiermee stopt u de actieve bewerking.

Hiermee wordt het scherm Hulp weergegeven.

Hier kunt u oplossingen voor problemen bekijken.

Hiermee keert u terug naar het vorige scherm.

Hiermee opent u het startscherm.

Gaat branden wanneer ontvangen documenten die nog niet gelezen, afgedrukt of opgeslagen zijn, in het geheugen van de printer staan.

U kunt het bedieningspaneel kantelen.