|
|
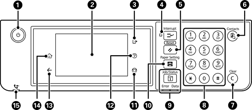
Uključivanje ili isključivanje štampača. Isključite kabl za napajanje nakon što se uverite da je lampica napajanja isključena. |
|
|
Prikazuje stavke podešavanja i poruke. Kada se određeno vreme ne izvrši nijedna operacija, štampač ulazi u režim mirovanja i ekran se gasi. Dodirnite bilo koji deo dodirnog ekrana da biste uključili prikaz. U zavisnosti od trenutnih podešavanja, pritiskom na dugmad na kontrolnoj tabli štampač se budi iz režima spavanja. |
|
|
Odjavljivanje sa štampača kada je omogućena opcija Kontrola pristupa. Kada je onemogućena opcija Kontrola pristupa, ova opcija je takođe onemogućena. |
|
|
Pauzira trenutni zadatak štampanja i omogućava vam da prekinete druge zadatke koje je štampač već primio, prekinete operacije kopiranja, itd. Međutim, ne možete prekinuti novi zadatak sa računara. Ponovo pritisnite ovo dugme za ponovno pokretanje pauziranog zadatka. |
|
|
Ponovo postavlja trenutna podešavanja na podrazumevana korisnička podešavanja. Ako podrazumevana korisnička podešavanja nisu unesena, ponovo postavlja na podrazumevana fabrička. |
|
|
Prikazuje listu Kontakti. Možete registrovati, uređivati ili izbrisati kontakte. |
|
|
Briše podešavanja koja se odnose na brojeve, na primer broj kopija. |
|
|
Unosi brojeve, znakove i simbole. |
|
|
Prikazuje meni Job/Status. Možete proveriti status štampača i istoriju zadataka. Kada dođe do greške, upaliće se ili će zatreperiti lampica za greške na levoj strani. Kada štampač obrađuje podatke, upaliće se ili će zatreperiti lampica za podatke na desnoj strani. Uključuje se kada postoje zadaci u redu za čekanje. |
|
|
Prikazuje ekran Postavka papira. Možete izabrati podešavanja za veličinu i tip papira za svaki izvor papira. |
|
|
Zaustavlja trenutnu radnju. |
|
|
Prikazuje ekran Pomoć. Ovde možete da proverite rešenja za probleme. |
|
|
Povratak na prethodni ekran. |
|
|
Prikazuje početni ekran. |
|
|
Uključuje se kada su primljeni dokumenti koji još uvek nisu pročitani, odštampani ili sačuvani uskladišteni u memoriju štampača. |
Možete nagnuti kontrolnu tablu.