|
|
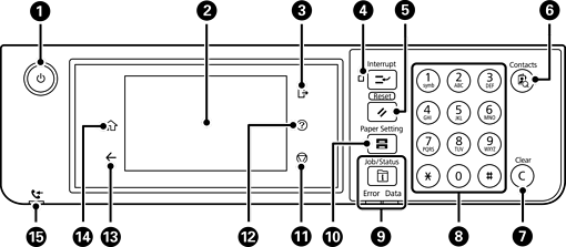
เปิดหรือปิดเครื่องพิมพ์ ถอดปลั๊กสายไฟหลังจากตรวจแล้วว่าไฟบ่งชี้ของปุ่มเปิด/ปิดดับแล้ว |
|
|
แสดงรายการการตั้งค่าและข้อความ หากไม่มีการทำงานใดๆ เป็นช่วงระยะเวลาเฉพาะค่าหนึ่ง เครื่องพิมพ์จะเข้าสู่โหมดสลีป และจอแสดงผลจะปิดลง แตะที่ใดๆ บนหน้าจอสัมผัสเพื่อเปิดจอแสดงขึ้น การกดปุ่มบนแผงควบคุมจะทำให้เครื่องพิมพ์ออกจากโหมดสลีป ทั้งนี้ขึ้นอยู่กับการตั้งค่าปัจจุบัน |
|
|
ออกจากระบบเครื่องพิมพ์เมื่อเปิดใช้งาน ควบคุมการเข้าถึง เมื่อ ควบคุมการเข้าถึง ถูกปิดใช้งาน ตัวเลือกนี้จะถูกปิดใช้งานด้วย |
|
|
หยุดงานพิมพ์ปัจจุบันชั่วคราวและอนุญาตให้คุณหยุดงานอื่นๆ ที่เครื่องพิมพ์ได้รับมาแล้ว หยุดการถ่ายสำเนา และอื่นๆ อย่างไรก็ดี คุณไม่สามารถระงับงานสั่งพิมพ์จากคอมพิวเตอร์ กดปุ่มนี้อีกครั้งเพื่อรีสตาร์ตงานที่หยุดไว้ |
|
|
รีเซ็ตการตั้งค่าปัจจุบันเป็นการตั้งค่าเริ่มต้นของผู้ใช้ หากไม่ได้กำหนดการตั้งค่าเริ่มต้นของผู้ใช้ กรุณารีเซ็ตเป็นค่าเริ่มต้นจากโรงงาน |
|
|
แสดงผลรายการ รายชื่อ คุณสามารถลงทะเบียน แก้ไข หรือลบรายชื่อติดต่อ |
|
|
ล้างข้อมูลการตั้งค่าตัวเลข เช่น จำนวนสำเนา |
|
|
ป้อนตัวเลข ตัวอักขระ และสัญลักษณ์ |
|
|
แสดงผลเมนู Job/Status คุณสามารถตรวจสอบสถานะของเครื่องพิมพ์และประวัติงานได้ ไฟแสดงสถานะข้อผิดพลาดทางด้านซ้ายจะกะพริบหรือติดขึ้นเมื่อเกิดข้อผิดพลาดขึ้น ไฟแสดงสถานะข้อมูลทางด้านขวาจะกะพริบเมื่อเครื่องพิมพ์กำลังประมวลผลข้อมูล ไฟจะติดขึ้นเมื่อมีงานที่อยู่ในคิว |
|
|
แสดงผลหน้าจอ การตั้งค่ากระดาษ คุณสามารถเลือกขนาดกระดาษและประเภทกระดาษที่คุณใส่เข้าไปในแหล่งเก็บกระดาษ |
|
|
หยุดการทำงานในปัจจุบัน |
|
|
แสดงผลหน้าจอ วิธีใช้ คุณสามารถตรวจสอบแนวทางแก้ไขปัญหาได้จากที่นี่ |
|
|
กลับไปยังหน้าจอก่อนหน้า |
|
|
แสดงผลหน้าจอหลัก |
|
|
เปิดเมื่อเอกสารที่ได้รับซึ่งยังไม่ได้อ่าน พิมพ์ หรือบันทึกถูกจัดเก็บไว้ในหน่วยความจำของเครื่องพิมพ์ |
คุณสามารถเอียงแผงควบคุมได้