> Посібник до панелі керування > Панель керування

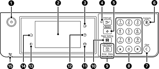
Панель керування

Увімкнення або вимкнення принтера.

Витягніть кабель живлення, переконавшись, що індикатор живлення згас.

Відображає елементи налаштування та повідомлення.

Якщо операції не виконуються протягом певного часу, принтер переходить у режим сну та екран вимикається. Торкніться будь-якого місця екрана, щоб увімкнути його. Залежно від поточних налаштувань, натискання кнопок на панелі керування виводить принтер із режиму сну.

Здійснює вихід з принтеру, коли ввімкнено Керування доступом.

Якщо Керування доступом ввімкнено, ця функція також не працює.

Зупиняє поточне завдання друку та дозволяє перервати інші завдання, які вже отримані принтером, перервати операції копіювання тощо. Проте, з комп’ютера нове завдання перервати не можна.

Щоб відновити призупинене завдання, ще раз натисніть цю кнопку.

Скиньте поточні налаштування до налаштувань користувача за замовчуванням. Якщо налаштування користувача не буде встановлено, буде виконано відновлення заводських налаштувань.

Відображає список Конт.. Контакти можна реєструвати, редагувати або видаляти.

Стирає всі цифрові налаштування, такі як кількість копій.

Введення цифр, букв та символів.

Відображає меню Job/Status. Можна перевірити стан принтера та історію завдань.

У разі виникнення помилок зліва спалахує або вмикається індикатор помилок.

При обробці даних принтером справа спалахує індикатор даних. Він вмикається, коли у черзі є завдання.

Відображає екран Параметри паперу. Ви можете вибрати розмір паперу та тип паперу для кожного джерела паперу.

Зупиняє поточну операцію.

Відображає екран Допомога.

Тут ви можете дізнатися, як усувати проблеми.

Повертається до попереднього екрану.

Відображає головний екран.

Вмикається, коли у пам’яті принтера зберігаються отримані документи, які ще не були прочитані, роздруковані або збережені.

Панель керування можна нахиляти.