|
|
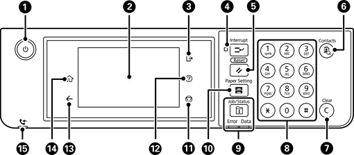
Printerni yoqadi yoki o‘chiradi. Quvvat chirog‘i o‘chganini tekshirgandan keyin ta’minot shnurini rozetkadan uzing. |
|
|
Sozlama elementlari va xabarlarni koʻrsatadi. Ma’lum vaqt davomida hech qanday harakat bajarilmagan hollarda printer uyqu rejimiga kiradi va displey o‘chadi. Displeyni yoqish uchun sensorli ekranning istalgan joyiga teging. Joriy sozlamalarga qarab, boshqaruv panelidagi tugmalarni bosish printerni kutish rejimidan chiqaradi. |
|
|
Ruxsatlar boshqaruvi yoqilganida printer tizimidan chiqadi. Ruxsatlar boshqaruvi o‘chirilganda bu ham o‘chirib qo‘yiladi. |
|
|
Joriy chop etish vazifasini pauzalaydi va printer allaqachon olgan boshqa ishlarni toʻxtatish, nusxalash amallarini toʻxtatish va boshqalarni bajarish imkonini beradi. Biroq kompyuterdan yangi ishni uzib qo‘yishingiz mumkin. Pauza qilingan vazifani davom ettirish uchun ushbu tugmani bosing. |
|
|
Joriy sozlamalarni standart sozlamalarga qaytaradi. Agar foydalanuvchi tomonidan standart sozlamalar belgilanmagan bo‘lsa, zavod holatiga qaytaradi. |
|
|
Kontaktlar ro‘yxatini ko‘rsatadi. Kontaktlarni qayd qilish, tahrirlash yoki o‘chirish mumkin. |
|
|
Songa oid sozlamalarni, masalan, nusxalar soni sozlamalarini tozalaydi. |
|
|
Raqamlar, harflar va belgilarni kririting. |
|
|
Vazifa holati menyusini ko‘rsatadi. Printer holati va vazifalar tarixini tekshirishingiz mumkin. Chap tomondagi xatolik chirog‘i miltillaydi yki xatolik yuz berganda yonib qoladi. Printer ma’lumotlar ustida amal bajarayotganda o‘ng tomondagi axborot chirog‘i miltillaydi. Navbatda vazifalar bo‘lsa, u yonib qoladi. |
|
|
Qog‘oz ekranini ko‘rsatadi. Har bir qog‘oz manbasi uchun qog‘oz o‘lchami va turini tanlash mumkin. |
|
|
Joriy operatsiyani to‘xtatadi. |
|
|
Yordam ekranini ko‘rsatadi. Bu yerdan muammolarga yechimlarni ko‘rishingiz mumkin. |
|
|
Avvalgi ekranga qaytadi. |
|
|
Bosh ekranni namoyish qiladi. |
|
|
Olingan hujjatlar hali o‘qilmagan, chop etilmagan, saqlanmagan holda printer xotirasida turganida yonadi. |
Boshqaruv panelini qiyalatishingiz mumkin.