|
|
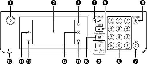
لتشغيل الطابعة أو إيقاف تشغيلها. افصل سلك الطاقة بعد التحقق من إيقاف تشغيل مصباح الطاقة. |
|
|
لعرض عناصر إعداد ورسائله. عند عدم وجود عمليات قيد التنفيذ لفترة زمنية معينة، فإن الطابعة تدخل في وضع السكون ويتم إيقاف تشغيل شاشة العرض. انقر على أي مكان في شاشة اللمس لتشغيل شاشة العرض. حسب الإعدادات الحالية، يؤدي الضغط على الأزرار في لوحة التحكم إلى تنبيه الطابعة من وضع السكون. |
|
|
لتسجيل الخروج من الطابعة عند تمكين التحكم في الوصول. عند تعطيل التحكم في الوصول، سيتم تعطيل ذلك أيضًا. |
|
|
يوقف مهمة الطباعة الحالية ويسمح لك بمقاطعة المهام الأخرى التي استلمتها الطابعة بالفعل، ومقاطعة عمليات النسخ، وما إلى ذلك. ومع ذلك، لا يمكنك مقاطعة مهمة جديدة من الكمبيوتر. اضغط على هذا الزر مرة أخرى لاستئناف المهمة التي تم إيقافها مؤقتًا. |
|
|
أعد تعيين الإعدادات الحالية إلى قيمها الافتراضية. إذا لم يتم تعيين إعدادات المستخدم الافتراضية، فأعد تعيينها إلى قيم المصنع الافتراضية. |
|
|
لعرض قائمة جهات اتصال. يمكنك تسجيل جهات الاتصال، أو تحريرها، أو حذفها. |
|
|
لمسح إعدادات الأرقام مثل عدد النسخ. |
|
|
تدخل الأرقام والحروف والرموز. |
|
|
يعرض قائمة Job/Status. يمكنك فحص حالة الطابعة وسجل المهام. يومض مصباح التنبيه بوجود خطأ بالجهة اليسرى أو يضيء في حالة حدوث خطأ. يومض مصباح البيانات الموجود بالجهة اليمنى عند معالجة الطابعة للبيانات. يضيء عند وجود مهام في قائمة الانتظار. |
|
|
لعرض شاشة إعداد الورق. يمكنك تحديد إعدادات حجم الورق ونوع الورق بالنسبة لكل مصدر ورق. |
|
|
لإيقاف العملية الحالية. |
|
|
لعرض شاشة تعليمات. يمكنك التحقق من حلول المشكلات من هنا. |
|
|
للعودة إلى الشاشة السابقة. |
|
|
لعرض الشاشة الرئيسية. |
|
|
يُضيء عندما يتم تخزين المستندات المستلمة التي لم تتم قراءتها، أو طباعتها، أو حفظها بعد في ذاكرة الطابعة. |