|
|
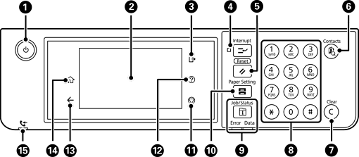
Tænder eller slukker for printeren. Tag strømkablet ud, efter du har kontrolleret, at strømindikatoren er slukket. |
|
|
Viser indstillingsemner og beskeder. Når der ikke foretages noget i et bestemt stykke tid, går printeren i dvaletilstand, og skærmen slukkes. Tryk et vilkårligt sted på skærmen for at tænde for skærmen. Afhængig af de aktuelle indstillinger, tændes printeren fra dvale-funktionen ved at trykke på knapperne på kontrolpanelet. |
|
|
Logger af printeren, når Adgangskontrol er aktiveret. Når Adgangskontrol er deaktiveret, er dette også deaktiveret. |
|
|
Sætter det aktuelle udskriftsjob på pause og giver dig mulighed for at afbryde andre job, som printeren allerede har modtaget, afbryde kopiering osv. Men du kan ikke afbryde et nyt job fra computeren. Tryk på denne knap igen, når du vil genstarte et job, som er stoppet midlertidigt. |
|
|
Nulstiller de aktuelle indstillinger til standardindstillinger. Hvis standard brugerindstillingerne ikke er blevet indstillet, skal du nulstille til fabriksindstillingerne. |
|
|
Viser listen Kontaktpers.. Du kan registrere, redigere eller slette kontakterne. |
|
|
Rydder antalsindstillinger, f.eks. antallet af kopier. |
|
|
Indtaster tal, tegn og symboler. |
|
|
Viser menuen Job/Status. Du kan kontrollere printerens status og joboversigt. Fejlindikatoren i venstre side blinker eller tændes, når der opstår en fejl. Dataindikatoren i højre side blinker, når printer behandler data. Den tændes, når der er køsatte job. |
|
|
Viser skærmen Papirindstilling. Du kan vælge indstillingerne for papirstørrelse og papirtype for hver papirkilde. |
|
|
Stopper den nuværende funktion. |
|
|
Viser skærmen Hjælp. Du kan kontrollere løsninger på problemer herfra. |
|
|
Vender tilbage til det foregående skærmbillede. |
|
|
Viser startskærmen. |
|
|
Tændes, når modtagne dokumenter, som endnu ikke er blevet læst, udskrevet eller gemt, er gemt i printerens hukommelse. |