|
|
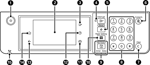
Lülitab printeri sisse või välja. Tõmmake toitekaabel pistikupesast välja siis, kui olete veendunud, et toitetuli ei põle. |
|
|
Kuvab sätete üksusi ja teateid. Kui teatud aja jooksul ei tehta ühtegi toimingut, läheb printer unerežiimi ja ekraan lülitub välja. Puudutage ekraani sisselülitamiseks puuteekraani. Aktiivsetest sätetest sõltuvalt ärkab printer juhtpaneeli nuppude vajutamisel unerežiimilt. |
|
|
Logib printerist välja, kui Juurdepääsu haldamine on lubatud. Kui Juurdepääsu haldamine on keelatud, siis on ka see keelatud. |
|
|
Peatab poolelioleva prinditöö ja võimaldab katkestada muid töid, mis on juba printerisse saadetud, katkestada kopeerimist jne. Kuid te ei saa tühistada uut tööd arvutist. Peatatud töö taaskäivitamiseks vajutage uuesti seda nuppu. |
|
|
Lähtestab praegused sätted kasutaja vaikesätetele. Kui kasutaja vaikesätted pole seatud, taastab tehase vaikesätted. |
|
|
Kuvab loendi Kontaktid. Saate kontakte registreerida, redigeerida ja kustutada. |
|
|
Kustutab numbrisätted, näiteks koopiate arvu. |
|
|
Numbrite, tähemärkide ja sümbolite sisestamine. |
|
|
Kuvab menüü Job/Status. Saate kontrollida printeri olekut ja tööde ajalugu. Vasakul olev tõrketuli vilgub või süttib tõrke ilmnemisel. Paremal olev andmetuli vilgub, kui printer töötleb andmeid. See lülitub sisse, kui mõni töö on järjekorras. |
|
|
Kuvab ekraani Paberi säte. Võite valida iga paberiallika jaoks paberiformaadi ja -tüübi sätted. |
|
|
Peatab hetketoimingu. |
|
|
Kuvab ekraani Spikker. Siit saate vaadata probleemide lahendusi. |
|
|
Viib tagasi eelmisele kuvale. |
|
|
Kuvab avakuva. |
|
|
Lülitub sisse, kui vastuvõetud dokumendid, mida pole veel loetud, prinditud ega salvestatud, salvestatakse printeri mälus. |