|
|
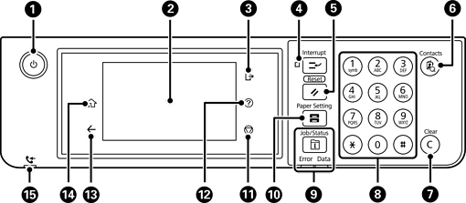
Kytkee tulostimeen virran ja katkaisee sen. Irrota virtajohto, kun olet tarkistanut, että virtavalo on sammunut. |
|
|
Näyttää asetuskohteet ja viestit. Jos laitetta ei käytetä tietyn ajan kuluessa, tulostin siirtyy lepotilaan ja näyttö sammuu. Voit käynnistää näytön uudelleen napauttamalla sitä mistä tahansa kohdasta. Nykyisten asetusten mukaan ohjauspaneelin painikkeiden painaminen herättää tulostimen lepotilasta. |
|
|
Kirjautuu ulos tulostimesta, kun Käytön kontrolli on käytössä. Kun Käytön kontrolli on poistettu käytöstä, myös tämä on poissa käytöstä. |
|
|
Keskeyttää nykyisen tulostustyön ja mahdollistaa tulostimen vastaanottamien muiden tulostustöiden, kopiointitöiden ja muiden töiden keskeyttämisen. Et kuitenkaan voi keskeyttää tietokoneelta lähetettyä uutta työtä. Keskeytettyä työtä voidaan jatkaa painamalla tästä. |
|
|
Nollaa nykyiset asetukset käyttäjän oletusasetuksiin. Jos käyttäjän oletusasetuksia ei ole tehty, nollaa tehtaan oletuksiin. |
|
|
Näyttää Yhteystiedot -luettelon. Voit rekisteröidä, muokata tai poistaa yhteystietoja. |
|
|
Numeroasetusten, kuten kopioiden määrän, tyhjennys. |
|
|
Syöttää numerot, merkit ja symbolit. |
|
|
Näyttää Job/Status -valikon. Voit tarkistaa tulostimen nykyisen tilan ja työhistorian. Vikavalo vasemmalla vilkkuu ja kytkeytyy päälle vikatilanteessa. Datavalo oikealla vilkkuu, kun tulostin käsittelee tietoja. Se syttyy, kun töitä on jonossa. |
|
|
Tuo näkyviin Paperiasetus -näytön. Voit valita paperikoon ja paperityypin asetukset kullekin paperilähteelle. |
|
|
Pysäyttää nykyisen toiminnon. |
|
|
Tuo näkyviin Ohje -näytön. Voit etsiä ratkaisuja ongelmiin tästä. |
|
|
Palauttaa edelliseen näyttöön. |
|
|
Näyttää aloitusnäytön. |
|
|
Syttyy, kun vastaanotetut mutta ei vielä luetut, tulostetut tai tallennetut asiakirjat tallennetaan laitteen muistiin. |