
|
|
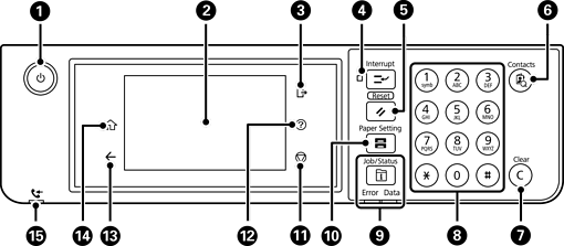
프린터를 켜거나 끕니다. 전원 표시등이 꺼졌는지 확인한 후 전원 코드를 분리하십시오. |
|
|
설정 항목 및 메시지를 표시합니다. 일정 시간 동안 아무런 동작이 이루어지지 않으면 프린터가 절전 모드로 진입되며 화면이 꺼집니다. 화면을 켜려면 터치 스크린을 아무 곳이나 누르십시오. 현재 설정에 따라 제어판의 버튼을 누르면 프린터의 절전 모드가 해제됩니다. |
|
|
액세스 제어가 가능해지면 (활성화되면) 프린터에서 로그오프 합니다. 액세스 제어가 불가능해지면 (비활성화되면) 이 또한 가능하지 않습니다. |
|
|
현재 인쇄 작업을 일시 중지하고 프린터가 이미 수신한 다른 작업을 중단하고 복사 작업을 중단하는 등의 작업을 수행할 수 있습니다. 단, 컴퓨터에서 새 작업을 중단할 수는 없습니다. 중단되었던 작업을 재실행하려면 이 버튼을 다시 누르십시오. |
|
|
사용자 기본 설정으로 현재 설정값을 되돌립니다. 사용자 기본 설정이 지정되어 있지 않은 경우에는 출하 시 기본값으로 재설정됩니다. |
|
|
연락처 목록을 표시합니다. 연락처를 등록, 편집 또는 삭제할 수 있습니다. |
|
|
매수와 같은 숫자 설정을 지웁니다. |
|
|
숫자, 문자 및 기호를 입력합니다. |
|
|
상태 메뉴를 표시합니다. 프린터 상태와 작업 기록을 확인할 수 있습니다. 왼쪽 오류 표시등은 오류 발생 시 깜박이거나 켜집니다. 오른쪽 데이터 표시등은 데이터 처리 중에 깜박입니다. 대기 중인 작업이 있으면 켜집니다. |
|
|
용지 설정 화면이 표시됩니다. 각 용지 공급에 대하여 용지 크기 및 용지 종류 설정을 선택할 수 있습니다. |
|
|
현재 동작을 중지합니다. |
|
|
도움말 화면이 표시됩니다. 여기에서 문제에 대한 해결 방법을 확인할 수 있습니다. |
|
|
이전 화면으로 되돌아갑니다. |
|
|
홈 화면을 표시합니다. |
|
|
프린터의 메모리에 아직 열람하지 않았거나 인쇄 또는 저장되지 않은 수신 문서가 저장되어 있는 경우에 켜집니다. |