> Ghid pentru panoul de comandă > Panou de comandă

Panou de comandă

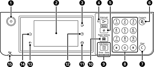
Pornește sau oprește imprimanta.

Deconectați cablul de alimentare după ce verificați că indicatorul de alimentare s-a stins.

Afișează elemente și mesaje de setare.

Când nu sunt efectuate operații într-un anumit interval de timp, imprimanta intră în modul inactiv și afișajul se stinge. Atingeți orice porțiune a ecranului tactil pentru a activa afișajul. În funcție de setările curente, apăsarea butoanelor de pe panoul de comandă reactivează imprimanta din modul inactiv.

Se deconectează de la imprimantă atunci când opțiunea Control acces este activată.

Când opțiunea Control acces este dezactivată, și această opțiune este dezactivată.

Întrerupe temporar lucrarea de tipărire actuală, vă permite să întrerupeți alte lucrări pe care imprimanta deja le-a primit, să întrerupeți operațiunile de copiere și așa mai departe. Totuși, nu puteți întrerupe o lucrare nouă de la computer.

Apăsați din nou acest buton pentru a relua o activitate întreruptă.

Resetează setările curente la setările implicite ale utilizatorului. Dacă utilizatorul nu a stabilit setări implicite, se va reveni la setările din fabrică.

Afișează lista Contacte. Puteți înregistra, edita sau șterge contacte.

Șterge setările numerice, cum ar fi numărul de exemplare.

Introduceți numere, caractere și simboluri.

Afișează meniul Job/Status. Puteți verifica starea imprimantei și istoricul activităților.

Indicatorul de eroare din partea stângă luminează intermitent sau continuu la apariția unei erori.

Indicatorul de date din partea dreaptă luminează intermitent atunci când imprimanta procesează date. Luminează continuu când există activități în coadă.

Afișează ecranul Setare hârtie. Puteți selecta dimensiunea paginii și tipul de hârtie pentru fiecare sursă de hârtie.

Oprește operația curentă.

Afișează ecranul Ajutor.

Puteți căuta soluții pentru probleme de aici.

Determină revenirea la ecranul anterior.

Afișează ecranul principal.

Se aprinde atunci când în memoria imprimantei există documente necitite, neimprimate sau nesalvate.