|
|
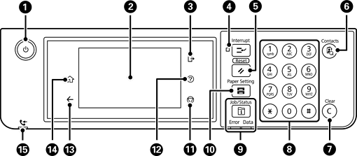
Служит для включения и выключения принтера. Отключайте шнур питания только после того, как индикатор питания погаснет. |
|
|
Отображает элементы настройки и сообщения. Если в течение определенного времени никакие операции на принтере не выполняются, он переходит в спящий режим, а дисплей отключается. Нажмите в любом месте сенсорного экрана, чтобы включить дисплей. В зависимости от текущих настроек нажатие кнопок на панели управления активирует принтер из спящего режима. |
|
|
Завершение сеанса работы с принтером, если включена функция Контроль доступа. Если функция Контроль доступа отключена, то данная функция тоже будет отключена. |
|
|
Приостанавливает текущее задание печати и позволяет прервать другие полученные принтером задания, остановить операции копирования и т. д. Учтите, что нельзя прервать выполнение нового задания с компьютера. Чтобы возобновить выполнение приостановленного задания, нужно еще раз нажать эту кнопку. |
|
|
Сброс текущих настроек до пользовательских значений по умолчанию. При отсутствии пользовательских значений по умолчанию восстанавливаются заводские значения. |
|
|
Отображает список Контакты. Можно зарегистрировать, изменить или удалить контакты. |
|
|
Сбрасывает настройки количества, например число копий. |
|
|
Служит для ввода цифр, букв и символов. |
|
|
Отображение меню Job/Status. Можно проверить статус принтера и историю заданий. Слева расположен индикатор ошибки, который загорается или начинает мигать, если происходит ошибка. Справа расположен индикатор данных, который мигает, когда принтер обрабатывает данные. При наличии очереди заданий он горит постоянно. |
|
|
Отображение экрана Настройка параметров бумаги. Можно выбрать настройки размера и типа бумаги для всех источников бумаги. |
|
|
Служит для остановки текущей операции. |
|
|
Отображение экрана Справка. Здесь можно просмотреть способы устранения проблем. |
|
|
Служит для возврата на предыдущий экран. |
|
|
Отображает начальный экран. |
|
|
Включается, когда принятые документы, которые еще не были прочитаны, распечатаны или сохранены, сохраняются в памяти принтера. |