> Dolandyryş paneli gollanmasy > Dolandyryş paneli

Dolandyryş paneli

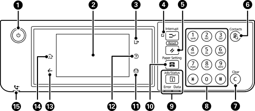
Printeriň toguny açýar ýa-da öçürýär.

Tok çyrasynyň sönükdigini barlap, tok şnuruny sogruň.

Sazlamalary we habarlary görkezýär.

Belli bir wagtlap hiç hili amal ýerine ýetirilmese, printer uky tertibine girýär we displeý ýapylýar. Displeýi açmak üçin, duýgur ekranyň bir ýerine degiň. Häzirki sazlamalara baglylykda, dolandyryş panelindäki düwmeleri basmak printeri uky tertibinden oýarýar.

Giriş Gözegçiligi işledilende, printerden ulgamdan çykýar.

Giriş Gözegçiligi ýapylanda, ol hem ýapylýar.

Häzirki çap ediş işini sägindirýär we printeriň eýýäm alan beýleki işleriniň, nusgalama amallarynyň arasyny üzmegiňize we ş.m. mümkinçilik berýär. Ýöne, kompýuterden täze işiň arasyna girip bilmersiňiz.

Sägindirilen işi ýene başlatmak üçin, şu düwmäni basyň.

Häzirki sazlamalary ulanyjynyň standart sazlamalaryna nol edýär. Eger ulanyjynyň standart sazlamalary bellenmedik bolsa, asyl sazlamalara nol edilýär.

Kontaktlar sanawyny görkezýär. Kontaktlary bellige alyp, düzedip ýa-da öçürip bilersiňiz.

Nusgalaryň sany ýaly san sazlamalaryny aýyrýar.

Sanlary, nyşanlary we simwollary girizýär.

Wezipe Ýagdaýy menýusyny görkezýär. Printeriň ýagdaýyny we iş taryhyny barlap bilersiňiz.

Näsazlyk ýüze çykanda çep tarapdaky näsazlyk çyrasy ýanyp sönýär.

Printer maglumat işleýärkä, sag tarapdaky maglumat çyrasy ýanyp sönýär. Nobata goýlan işler bar bolsa, ol açýar.

Kagyz Sazlamasy ekranyny görkezýär. Her kagyz çeşmesi üçin kagyz ölçegini we kagyz görnüşini saýlaň.

Häzirki amaly duruzýar.

Kömek ekranyny görkezýär.

Şu ýerden problemalaryň çözgütlerini barlap bilersiňiz.

Öňki ekrana dolanýar.

Öý ekrany görkezýär.

Printeriň ýadynda heniz okalmadyk, çap edilmedik ýa-da ýazdyrylmadyk alnan resminamalar bar bolanda, açylýar.