> İdarəetmə Paneli üçün Təlimat > İdarəetmə Paneli

İdarəetmə Paneli

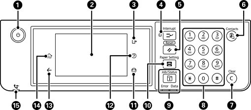
Printeri yandırır və ya söndürür.

Enerji işığı sönülü olduqda yoxladıqdan sonra elektrik naqilini şəbəkədən ayırın.

Parametr elementlərini və mesajları göstərir.

Konkret vaxt müddətində heç bir əməliyyat həyata keçirilməzsə, printer yuxu rejiminə daxil olur və displey sönür. Displeyi yandırmaq üçün təmas ekranında istənilən yerə vurun. Cari parametrlərdən asılı olaraq idarəetmə panelində düymələrin basılması printeri yuxu rejimindən oyadır.

Girişə Nəzarət aktivləşdiriləndə, printerdən çıxır.

Girişə Nəzarət aktivləşdiriləndə, bu, həmçinin qeyri-aktiv edilir.

Cari çap işini dayandırır və printerin artıq qəbul etdiyi digər işləri dayandırmağa, kopyalama əməliyyatlarını dayandırmağa və s. imkan verir. Lakin siz kompüterdən yeni işi dayandıra bilməzsiniz.

Pauza verilmiş işi yenidən başlatmaq üçün bu düyməni yenidən basın.

Cari parametrləri istifadəçinin təyin etdiyi parametrlərə sıfırlayır. İstifadəçinin təyin etdiyi parametrlər qurulmayıbsa, susmaya görə zavod parametrlərinə sıfırlayır.

Əlaqələr siyahısını göstərir. Siz kontaktları qeydiyyatdan keçirə, redaktə edə və ya silə bilərsiniz.

Surətlərin sayı kimi say parametrlərini təmizləyir.

Rəqəmlər, işarələr və simvolları daxil edir.

İşin Statusu menyusunu göstərir. Printerin statusunu və iş tarixini yoxlaya bilərsiniz.

Xəta baş verdikdə soldakı xəta işığı sayrışır və ya yanır.

Printer məlumatları emal edərkən sağdakı məlumatlar işığı sayrışır. Sıralanmış işlər olduqda yanır.

Kağız Parametri ekranını göstərir. Hər kağız mənbəyi üçün kağız ölçüsü və kağız növü parametrləri seçə bilərsiniz.

Cari əməliyyatı dayandırır.

Kömək ekranını göstərir.

Siz problemlərin həllinə buradan baxa bilərsiniz.

Əvvəlki ekrana qayıdır.

Əsas ekranı göstərir.

Hələ oxunmamış, çap edilməmiş və ya yaddaşda saxlanmamış qəbul edilmiş sənədlər printerin yaddaşında saxlanarkən yanır.