|
|
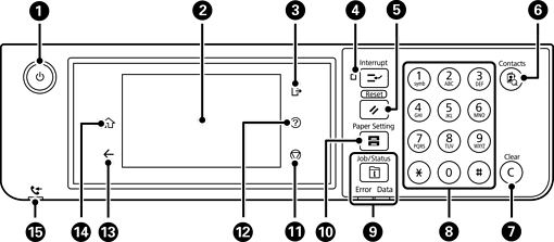
Включва или изключва принтера. Изключете захранващия кабел, след като проверите, че индикаторът за захранване е изключен. |
|
|
Извежда елементи за настройка и съобщения. Когато няма извършени операции за определен период от време, принтерът влиза в режим на заспиване и дисплеят изключва. Докоснете на произволно място на сензорния екран, за да включите дисплея. В зависимост от текущите настройки, натискането на бутоните на контролния панел събужда принтера от режим на заспиване. |
|
|
Изход от принтера, когато сте активирали Управление на достъпа. Когато Управление на достъпа е дезактивиран, тази функция също е дезактивирана. |
|
|
Временно спира текущото задание за печат и Ви позволява да прекъсвате други задания, които принтерът вече е получил, прекъсване на операции за копиране и т.н. Въпреки това не можете да прекъснете ново задание от компютъра. Натиснете бутона още веднъж, за да стартирате наново заявка, поставена в режим пауза. |
|
|
Нулира текущите настройки до потребителските настройки по подразбиране. Ако потребителски настройки по подразбиране не са конфигурирани, нулирайте до фабричните настройки. |
|
|
Показва списъка Контакти. Можете да регистрирате, редактирате или изтриете контактите. |
|
|
Изчиства цифровите настройки, като например брой на копията. |
|
|
Въвежда цифри, знаци и символи. |
|
|
Показва меню Job/Status. Можете да проверите състоянието на принтера и хронологията на заданията. Светлинният индикатор за грешки от лявата страна премигва или светва при възникване на грешка. Светлинният индикатор, за данни от дясната страна премигва, докато принтерът обработва данни. Той се включва при наличие на чакащи заявки. |
|
|
Показва екрана Настройка на хартията. Можете да изберете настройките за размера и типа на хартията за всеки източник на хартия. |
|
|
Прекратява текущата операция. |
|
|
Показва екрана Помощ. Можете да проверите за решения на проблеми оттук. |
|
|
Връща към предишния екран. |
|
|
Показва началния екран. |
|
|
Включва се, когато документи, получени, но все още непрочетени, отпечатани или запазени, се съхраняват в паметта на принтера. |