|
|
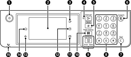
A nyomtató ki- és bekapcsoló gombja. Húzza ki a tápkábelt, miután ellenőrizte, hogy a jelzőfény kialudt. |
|
|
Itt láthatók a beállítási menüpontok és az üzenetek. Ha bizonyos ideig nem végeznek műveletet az érintőképernyőn, a nyomtató alvó üzemmódba lép, és a kijelző kikapcsol. A kijelző bekapcsolásához koppintson bárhová az érintőképernyőn. A pillanatnyi beállításoktól függően, a vezérlőpanel gombjainak megnyomása felébreszti a nyomtatót alvó üzemmódból. |
|
|
Kijelentkezik a nyomtatóból, amikor a(z) Hozzáférés-vezérlés engedélyezve van. Ha a(z) Hozzáférés-vezérlés le van tiltva, akkor ez is le van tiltva. |
|
|
Szünetelteti az aktuális nyomtatási feladatot, és lehetővé teszi más, a nyomtató által már fogadott feladatok megszakítását, a másolási műveletek megszakítását stb. Ennek ellenére a számítógépről nem szakítható meg egy új munka. A leállított munkafolyamat újraindításához nyomja meg ismét a gombot. |
|
|
Visszaállítja az aktuális beállításokat az alapértelmezett felhasználói beállításokra. Ha nincsenek megadva alapértelmezett felhasználói beállítások, az alapértelmezett gyári beállításokra állítja vissza azokat. |
|
|
Megjeleníti a(z) Partnerek listát. Regisztrálhatja, szerkesztheti vagy törölheti a névjegyeket. |
|
|
Számbeállítások, például a példányszám törlése. |
|
|
Számokat, karaktereket és szimbólumokat visz be. |
|
|
Megjeleníti a(z) Job/Status menüt. Lehetővé teszi a nyomtató állapotának és előzményeinek ellenőrzését. A bal oldali hibajelző fény villog vagy bekapcsol, ha hiba történik. A jobb oldali adatfeldolgozást jelző fény villog, amikor a nyomtató adatot dolgoz fel. Akkor kapcsol be, ha több munka áll sorban. |
|
|
A(z) Papírbeállítás képernyőt jeleníti meg. Minden papírforráshoz kiválaszthatja a papírméretet és a papírtípust. |
|
|
Leállítja az aktuális műveletet. |
|
|
A(z) Súgó képernyőt jeleníti meg. Itt problémamegoldási lehetőségeket találhat. |
|
|
Visszatér a az előző képernyőre. |
|
|
Kezdőképernyő megjelenítése. |
|
|
Akkor jelenik meg, ha a készülék memóriájában olyan beérkezett dokumentumok vannak, amelyeket még nem olvasott el, nem nyomtatott ki vagy nem mentett el. |