|
|
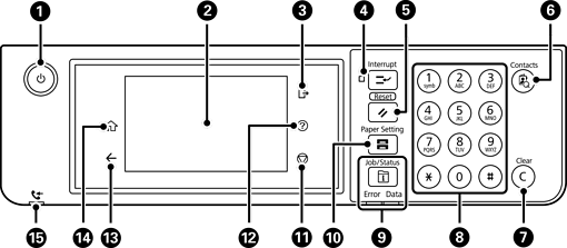
Принтерді қосады немесе өшіреді. Қуат шамы өшірілгенін тексергеннен кейін, қуат сымын ажыратыңыз. |
|
|
Параметр элементтерін және хабарларды көрсетеді. Белгілі бір уақыт аралығында ешқандай әрекет орындалмаған кезде, принтер ұйқы режиміне өтіп, дисплей өшеді. Дисплейді қосу үшін, сенсорлық экранның кез келген жерін түртіңіз. Ағымдағы параметрлерге байланысты басқару тақтасындағы түймелерді басу принтерді ұйқы режимінен шығарады. |
|
|
Қатынасты басқару мүмкіндігі қосулы кезде принтерден өшіреді. Қатынасты басқару мүмкіндігі өшірілгенде, ол да өшеді. |
|
|
Ағымдағы басып шығару тапсырмасын кідіртіп, принтер алған басқа да тапсырмаларды тоқтатуға, көшірме жасау операцияларын үзуге және т.б. жасауға мүмкіндік береді. Дегенмен, компьютерден жаңа тапсырманы үзе алмайсыз. Кідіртілген тапсырманы қайта іске қосу үшін осы түймені қайтадан басыңыз. |
|
|
Ағымдағы параметрлерді пайдаланушының әдепкі параметрлеріне қалпына келтіреді. Пайдаланушының әдепкі параметрлері орнатылмаған болса, зауыттық әдепкі параметрлерге қалпына келтіреді. |
|
|
Контактілер тізімін көрсетеді. Контактілерді тіркеуге, өзгертуге немесе жоюға болады. |
|
|
Көшірме сандары сияқты сан параметрлерін тазалайды. |
|
|
Сандарды, әріптерді және таңбаларды енгізеді. |
|
|
Job/Status мәзірін көрсетеді. Принтердің күйін және тапсырма журналын тексеруге болады. Қате пайда болған кезде сол жақтағы қате шамы жыпылықтайды немесе қосылады. Принтер деректерді өңдеген кезде оң жақтағы деректер шамы жыпылықтайды. Ол кезекте тұрған тапсырмалар болған кезде қосылады. |
|
|
Қағаз параметрі экранын көрсетеді. Әрбір қағаз көзі үшін қағаз өлшемі және қағаз түрі параметрін таңдауға болады. |
|
|
Ағымдағы әрекетті тоқтатады. |
|
|
Анықтама экранын көрсетеді. Осы жерден проблемалардың шешімдерін тексеруге болады. |
|
|
Алдыңғы экранға қайтарады. |
|
|
Негізгі экранды көрсетеді. |
|
|
Әлі оқылмаған, басып шығарылмаған немесе сақталмаған алынған құжаттар принтер жадында сақталған кезде қосылады. |