|
|
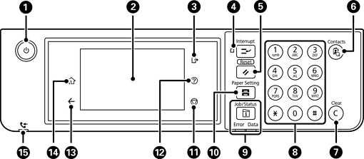
Įjungiamas arba išjungiamas spausdintuvas. Įsitikinę, kad užgeso maitinimo lemputė, atjunkite maitinimo laidą. |
|
|
Rodo nustatymų elementus ir pranešimus. Jei tam tikrą laiko tarpą neatliekama jokia operacija, spausdintuvas pereina į miego režimą ir ekranas išsijungia. Palieskite bet kur jutikliniame ekrane, norėdami įjungti ekraną. Atsižvelgiant į esamas nuostatas, paspaudus bet kokį mygtuką valdymo skydelyje, spausdintuvas pažadinamas iš miego režimo. |
|
|
Atsijungia nuo spausdintuvo, kai Prieigos kontrolė įgalinta. Kai Prieigos kontrolė išjungta, tai taip pat išjungta. |
|
|
Pristabdoma dabartinė užduotis, o jums leidžiama pertraukti kitas spausdintuvo jau gautas užduotis, pertraukti kopijavimą ir pan. Tačiau naujos užduoties negalite pristabdyti, naudojant kompiuterį. Paspauskite šį mygtuką, jei norite iš naujo paleisti pristabdytą užduotį. |
|
|
Dabartinės nuostatos grąžinamos į naudotojo nustatytąsias. Jei naudotojas nepasirinko parametrų, atkuriami gamyklos parametrai. |
|
|
Rodomas Kontaktai sąrašas. Galite užregistruoti, redaguoti arba pašalinti kontaktus. |
|
|
Ištrinami įvesti skaičiai, pavyzdžiui, kopijų skaičius. |
|
|
Įvedami skaičiai, ženklai ir simboliai. |
|
|
Rodomas Job/Status meniu. Galite patikrinti spausdintuvo būseną ir užduočių istoriją. Kairėje pusėje žybčiojanti arba šviečianti klaidos lemputė reiškia, kad įvyko klaida. Žybčiojanti duomenų lemputė dešinėje reiškia, kad spausdintuvas apdoroja duomenis. Šviečianti lemputė reiškia, kad yra eilėje laukiančių užduočių. |
|
|
Rodomas Popieriaus nuostata ekranas. Galima nustatyti kiekvieno popieriaus šaltinio atveju taikomus popieriaus formato ir popieriaus rūšies parametrus. |
|
|
Sustabdoma dabartinė operacija. |
|
|
Rodomas Pagalba ekranas. Problemų sprendimus galite rasti čia. |
|
|
Grįžtama į ankstesnį ekraną. |
|
|
Atidaromas pradžios ekranas. |
|
|
Užsidega, kai priimti ir dar neskaityti, neišspausdinti arba neįrašyti dokumentai saugomi spausdintuvo atmintyje. |