|
|
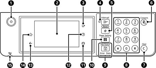
Принтерийг асааж унтраана. Тэжээлийн гэрэл унтарсныг шалгасны дараагаар тэжээлийн залгуурыг салгана. |
|
|
Тохиргооны зүйлс ба мессежийг харуулна. Тодорхой хугацаанд ямар ч үйлдэл хийгдээгүй бол принтер идэвхгүй горимд орж дэлгэц унтарна. Мэдрэгчтэй дэлгэцийн хаа нэгтээ дарж дэлгэцийг асаана уу. Одоогийн тохиргооноос хамааран хянах самбарын товчлууруудыг дарж принтерийг идэвхгүй горимоос сэрээнэ. |
|
|
Хандалтын Хяналт идэвхжсэн үед принтерээс гарна. Хандалтын Хяналт идэвхгүй болсон үед энэ нь мөн идэвхгүй болно. |
|
|
Одоогийн хэвлэх ажлыг түр зогсоож, принтерийн аль хэдийн хүлээн авсан бусад ажлуудыг тасалдуулах, хуулах үйлдлийг тасалдуулах гэх мэтийг зөвшөөрдөг. Гэхдээ, та компьютероос шинэ ажлыг тасалдуулах боломжгүй. Энэ товчийг дахин дарж түр зогсоосон ажлыг эхлүүлнэ. |
|
|
Одоогийн тохиргоог хэрэглэгчийн өгөгдмөл тохиргоо руу дахин тохируулна. Хэрэв хэрэглэгчийн өгөгдмөл тохиргоо хийгдээгүй бол, үйлдвэрийн өгөгдмөл утга руу тохируулна. |
|
|
Харилцагч жагсаалтыг харуулна. Та харилцахуудыг бүртгэж, засаж, устгах боломжтой. |
|
|
Хувилах тоо зэрэг тооны тохиргоог арилгана. |
|
|
Тоо, тэмдэгт, болон дүрс оруулна. |
|
|
Ажил/Төлөв цэсийг харуулна. Та принтерийн төлөв болон хэвлэх ажлын түүхийг шалгах боломжтой. Алдаа гарсан үед зүүн талын алдааны гэрэл анивчана. Принтер өгөгдлийг боловсруулж байх үед баруун талын өгөгдлийн гэрэл анивчина. Жагсаалттай ажил байгаа үед асна. |
|
|
Цаасны тохиргоо дэлгэц гарч ирнэ. Цаасны эх үүсвэр бүрийн цаасны хэмжээ, цаасны төрлийн тохиргоог сонгох боломжтой. |
|
|
Одоогийн үйл ажиллагааг зогсооно. |
|
|
Тусламж дэлгэц гарч ирнэ. Асуудлын шийдлийг эндээс шалгаж болно. |
|
|
Өмнөх дэлгэц рүү буцах. |
|
|
Үндсэн дэлгэцийг харуулна. |
|
|
Хараахан уншиж, хэвлэж, хадгалж амжаагүй хүлээн авсан баримтууд принтерийн санах ойд хадгалагдахад асна. |