|
|
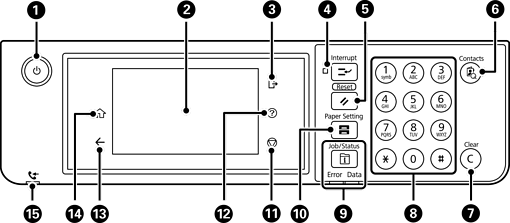
Slår skriveren på eller av. Koble fra strømkabelen når du har kontrollert at strømlyset er av. |
|
|
Viser innstillingselementer og meldinger. Når ingen operasjoner utføres på en viss tid går skriveren inn i hvilemodus og skjermen slår seg av. Trykk hvor som helst på berøringsskjermen for å slå på skjermen. Avhengig av gjeldende innstillinger kan skriveren vekkes fra hvilemodus ved å trykke knappene på kontrollpanelet. |
|
|
Logger ut av skriveren når Tilgangskontroll er aktivert. Når Tilgangskontroll er deaktivert, er dette også deaktivert. |
|
|
Stanser gjeldende utskriftsjobb midlertidig, slik at du kan avbryte andre jobber som skriveren allerede har mottatt, avbryte kopieringsoperasjoner osv. Du kan imidlertid ikke avbryte en ny jobb fra datamaskinen. Trykk på denne knappen igjen for å gjenoppta en jobb som er satt på pause. |
|
|
Tilbakestiller gjeldende innstillinger til brukervalgt standard. Hvis brukervalgte standardinnstillinger ikke er valgt, tilbakestilles de til fabrikkinnstillingene. |
|
|
Viser Kontakter-listen. Du kan registrere, redigere og slette kontakter. |
|
|
Fjerner tallinnstillinger, f.eks. antall kopier. |
|
|
Skriver inn tall, tegn og symboler. |
|
|
Viser Job/Status-menyen. Du kan sjekke skriverens status og jobbhistorikk. Feil-lyset til venstre blinker eller slås på når det oppstår en feil. Datalyset til høyre blinker når skriveren behandler data. Det slår seg på når det står jobber i kø. |
|
|
Viser skjermbildet Papirinnstilling. Du kan velge innstillinger for papirstørrelse og papirtype for hver papirkilde. |
|
|
Stopper pågående handling. |
|
|
Viser skjermbildet Hjelp. Du kan sjekke problemløsninger her. |
|
|
Tar deg tilbake til forrige skjerm. |
|
|
Viser startsiden. |
|
|
Slås på når mottatte dokumenter som ennå ikke har blitt lest, utskrevet eller lagret, lagres i skriverens minne. |