> Przewodnik po panelu sterowania > Panel sterowania

Panel sterowania

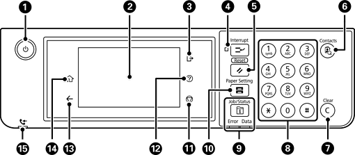
Włączenie lub wyłączenie drukarki.

Przewód zasilający należy odłączyć po upewnieniu się, że kontrolka zasilania nie świeci.

Wyświetla elementy ustawień i komunikaty.

Jeśli przez pewien okres nie są wykonywane żadne działania, drukarka przełącza się w tryb uśpienia. Wyświetlacz jest wyłączany. Dotknij w dowolnym miejscu ekranu, aby włączyć wyświetlacz. W zależności od ustawień bieżących, naciśnięcie przycisków na panelu sterowania, wybudza drukarkę z trybu uśpienia.

Wylogowanie z drukarki, gdy jest włączona funkcja Kontrola dostępu.

Gdy funkcja Kontrola dostępu jest wyłączona, ten przycisk jest także wyłączony.

Umożliwia wstrzymanie bieżącego zadania drukowania i przerwanie innych zadań odebranych przez drukarkę, przerwanie operacji kopiowania i tak dalej. Nie można jednak przerwać nowego zadania z poziomu komputera.

Ponowne naciśnięcie przycisku spowoduje powrót do wstrzymanego zadania.

Umożliwia zerowanie aktualnych ustawień i przywrócenie domyślnych ustawień użytkownika. Jeżeli domyślne ustawienia użytkownika nie zostały skonfigurowane, następuje przywracanie fabrycznych ustawień domyślnych.

Wyświetlenie listy Kontakty. Można zapisywać, edytować lub usuwać kontakty.

Kasowanie ustawień numerycznych, np. liczby kopii.

Wprowadzanie numerów, znaków i symboli.

Wyświetlenie menu Job/Status. Można tu sprawdzić stan drukarki i historię zadań.

Kontrolka błędu po lewej stronie miga lub świeci się, gdy zostanie wykryty błąd.

Kontrolka danych po prawej stronie miga, gdy drukarka przetwarza dane. Świeci, gdy w kolejce są zaplanowane zadania.

Wyświetlenie ekranu Ustawienie papieru. Można tu ustawić format i rodzaj papieru dla każdego źródła.

Zatrzymanie bieżącego zadania.

Wyświetlenie ekranu Pomoc.

Na nim można sprawdzić rozwiązania problemów.

Powrót do poprzedniego ekranu.

Umożliwia wyświetlanie ekranu głównego.

Włącza się, gdy w pamięci drukarki przechowywane są odebrane dokumenty, które jeszcze nie zostały odczytane, wydrukowane ani zapisane.