|
|
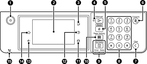
Umožňuje zapnúť alebo vypnúť tlačiareň. Napájací kábel odpojte, keď skontrolujete, či kontrolka napájania zhasla. |
|
|
Zobrazuje položky nastavenia a hlásenia. Keď sa po určitú dobu nevykonajú žiadne činnosti, tlačiareň prejde do režimu spánku a obrazovka sa vypne. Klepnutím kdekoľvek na obrazovku zapnete displej. V závislosti od aktuálnych nastavení sa tlačiareň po stlačení tlačidiel na ovládacom paneli prebudí z režimu spánku. |
|
|
Slúži na odhlásenie z tlačiarne, keď je aktivovaná možnosť Riadenie prístupu. Keď je možnosť Riadenie prístupu deaktivovaná, bude to tiež vypnuté. |
|
|
Pozastaví aktuálnu tlačovú úlohu a umožňuje prerušiť iné úlohy, ktoré už tlačiareň prijala, prerušiť kopírovanie atď. Novú úlohu však nemôžete z počítača zrušiť. Opätovným stlačením tohto tlačidla reštartujete pozastavenú úlohu. |
|
|
Aktuálne nastavenia obnoví na používateľom definované nastavenia. Ak neboli aktivované predvolené používateľské nastavenia, obnoví na nastavenia z výroby. |
|
|
Zobrazuje zoznam Kontakty. Môžete zaregistrovať, upraviť alebo odstrániť kontakty. |
|
|
Slúži na vymazanie číselných nastavení, ako je napríklad počet kópií. |
|
|
Slúži na zadávanie čísiel, znakov a symbolov. |
|
|
Zobrazuje ponuku Job/Status. Táto ponuka umožňuje skontrolovať stav tlačiarne a históriu úloh. Kontrolka chyby na ľavej strane bliká alebo svieti pri výskyte chyby. Kontrolka údajov na pravej strane bliká, keď tlačiareň spracováva údaje. Svieti, ak front obsahuje úlohy. |
|
|
Zobrazuje obrazovku Nastavenie papiera. Pre každý zdroj papiera môžete vybrať nastavenia veľkosti a typu papiera. |
|
|
Zastaví aktuálnu operáciu. |
|
|
Zobrazuje obrazovku Pomocník. Odtiaľto môžete skontrolovať riešenia problémov. |
|
|
Slúži na návrat na predchádzajúcu obrazovku. |
|
|
Zobrazuje domovskú obrazovku. |
|
|
Svieti, ak sú v pamäti zariadenia uložené prijaté dokumenty, ktoré ešte neboli prečítané, vytlačené alebo uložené. |