> 控制面板使用說明 > 控制面板

控制面板

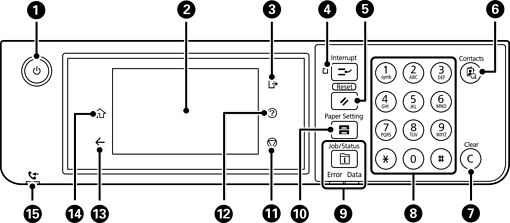
開啟或關閉印表機的電源。

檢查電源指示燈號熄滅後,拔下電源連接線。

顯示設定項目與訊息。

若在特定時間內未執行操作,印表機會進入睡眠模式,顯示畫面會關閉。點選觸控式螢幕的任何位置可開啟顯示畫面。根據目前設定,按下控制面板的上的按鍵可將印表機從睡眠模式中喚醒。

啟用 [存取控制] 時從印表機登出。

停用 [存取控制] 時,這也會遭到停用。

暫停當前的工作並允許您中斷印表機已接收的其他工作、中斷複印操作等。不過,您無法從電腦中斷新的工作。

再次按下此鍵,重新啟動暫停的工作。

將目前設定重設為使用者預設值。如果尚未指定使用者預設值,請重設為出廠預設值。

顯示 [聯絡人] 清單。您可以登錄、編輯或刪除聯絡人。

清除數值設定,如複印份數。

輸入數字、字元和符號。

顯示 [狀態] 功能表。您可檢查印表機的狀態及工作歷史紀錄。

錯誤發生時,左側的錯誤指示燈會閃爍或亮起。

印表機正在處理資料時,右側的資料指示燈會閃爍。此指示燈會在有佇列工作時亮起。

顯示 [紙張設定] 畫面。您可選取每個紙張來源的紙張大小與紙張種類設定。

停止目前的操作。

顯示 [說明] 畫面。

可在此檢查問題的解決方案。

回到上一個畫面。

顯示主畫面。

在尚未讀取、列印或儲存的已接收文件儲存至印表機的記憶體時亮起。